Mitmachen und bestellen! Domiforum Wandkalender 2026

Läuft mit ausgestecktem Seitenständerschalter

NX 500 / NX 650 / SLR 650 / FMX 650

Moderator: Domitreffen

Benutzeravatar

Verfasser
BlueSkyBS
Domi-Fan
Beiträge: 22
Registriert: Sa 1. Mai 2021, 23:29
Wohnort: Braunschweig
Motorrad: RD08 BJ97, CX500 BJ79
Kontaktdaten:

Re: Läuft mit ausgestecktem Seitenständerschalter

Beitrag von BlueSkyBS »

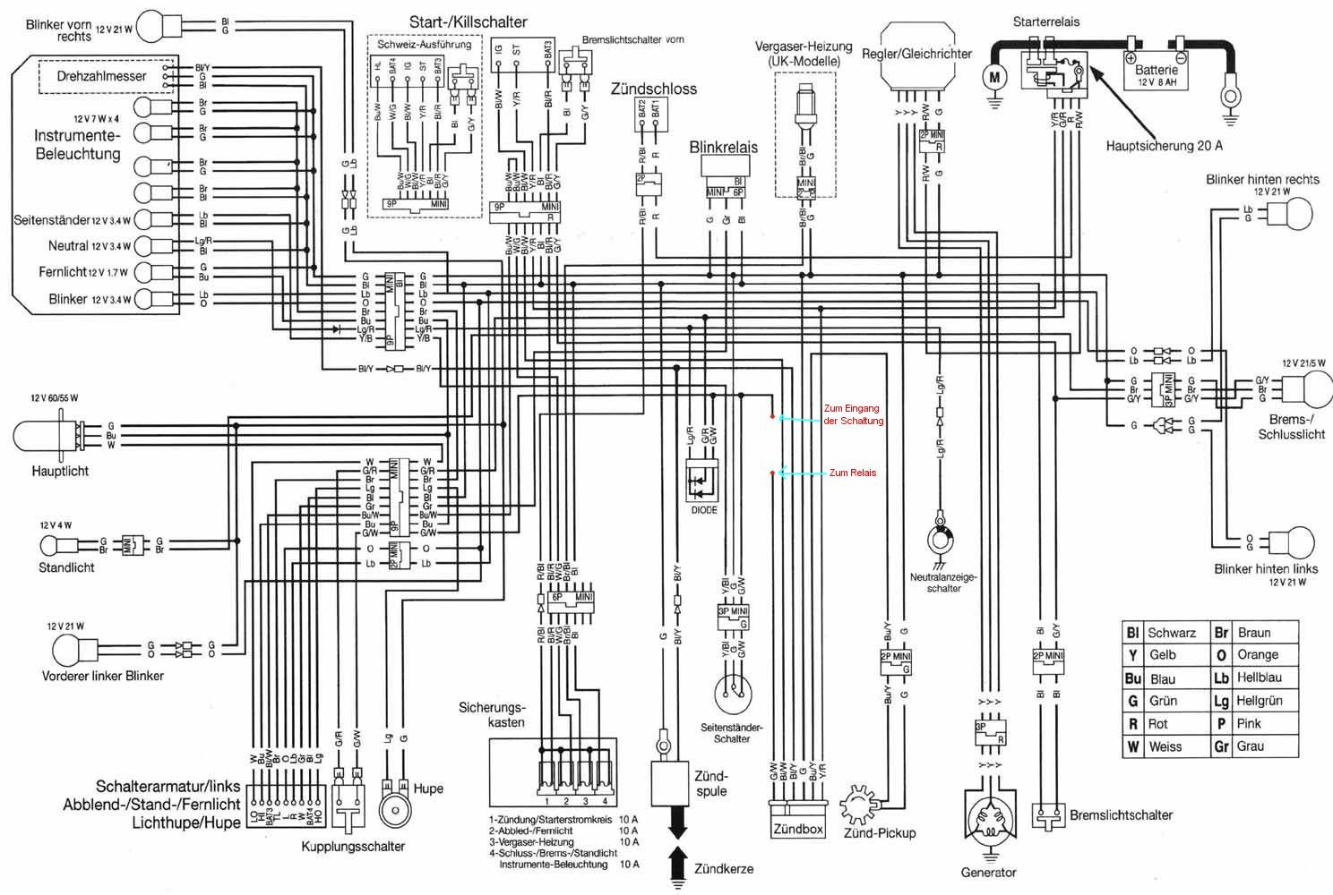
Nachdem ich mir ne Stunde Gedanken über die richtige Eindbindung in den Kabelbaum gemacht habe brauche ich nun doch Unterstützung. Langer, kannst du bitte anhand des im Wiki hinterlegten Schaltplans nen guten Platz für die Platzierung der Einheit bestimmen und anhand des Farbcode erklären an welcher Stelle die Kabel eingebunden werden könnten.

Schalltungsmasse der CDI zum Relais und das Kabel vom Transistor sollten G/W sein. Danach komme ich nicht weiter.

Bild
Benutzeravatar

langer
Domi-Superprofi
Beiträge: 4767
Registriert: Sa 25. Mär 2017, 18:38
Wohnort: bei Bad Homburg / Taunus
Motorrad: RD08 EZ01.95 Jap. Zwittermodell
Kontaktdaten:

Re: Läuft mit ausgestecktem Seitenständerschalter

Beitrag von langer »

G/W muss auf der alleiniglichen Massestrecke zur CDI (nicht die Strecke Knotenpunkt Sss und dem Rest der Sicherheitskette) aufgetrennt werden.

Die aufgetrennte Strecke G/W (die Leitung zur CDI) kommt an das Relais, die Strecke G/W zum Sss (inkl. Knotenpunkt zu Dioden, Kupplungsschalter etc.)
an den "Eingang" der Schaltung.

Der Schaltung (und dem Relais) würde ich unbedingt eine eigene neue gute Masse spendieren. Der Querschnitt muss nicht gross sein (fliessen nur ein paar hundert mA).
Dafür nicht die vorhandene alte "G" Leitung, an der der Sss hing nutzen, denn man weiss nicht ob der entfernte ori Massepunkt wirklich gut ist
(zudem der noch durch andere alte Schaltungsteile beaufschlagt wird).

Plus für die Schaltung z.B. von Sicherung 1 (Starter/Zündung). Nur ein Vorschlag. Es geht jegliches Plus nach dem Zündschlosschalter.

Hast du deine fertige Schaltung vorher "trocken" ausprobiert ?
Grüsse langer 8-)
"Kunst muss es sein, wenn man‘s nicht kann... denn wenn man‘s kann, ist‘s keine Kunst"
Der Niedergang deutscher Ingenieurskunst begann mit dem DIN Stecker, ungeeigneten Materialien und beschleunigt mit VW...
Benutzeravatar

langer
Domi-Superprofi
Beiträge: 4767
Registriert: Sa 25. Mär 2017, 18:38
Wohnort: bei Bad Homburg / Taunus
Motorrad: RD08 EZ01.95 Jap. Zwittermodell
Kontaktdaten:

Re: Läuft mit ausgestecktem Seitenständerschalter

Beitrag von langer »

pic_1_2_3a.jpg
Grüsse langer 8-)
"Kunst muss es sein, wenn man‘s nicht kann... denn wenn man‘s kann, ist‘s keine Kunst"
Der Niedergang deutscher Ingenieurskunst begann mit dem DIN Stecker, ungeeigneten Materialien und beschleunigt mit VW...
Benutzeravatar

Verfasser
BlueSkyBS
Domi-Fan
Beiträge: 22
Registriert: Sa 1. Mai 2021, 23:29
Wohnort: Braunschweig
Motorrad: RD08 BJ97, CX500 BJ79
Kontaktdaten:

Re: Läuft mit ausgestecktem Seitenständerschalter

Beitrag von BlueSkyBS »

Hier nen kleines Update.

Die von Langer entworfene Schaltung habe ich inzwischen nachgebaut und verbaut. Die Einheit funktioniert so wie sie soll und die Maschine hat ein deutlich besseres Startverhalten. Leider wurde der Fehler mit dem SSS dadurch nicht behoben und ich habe kurzerhand für den TÜV auf selbsteinklappenden Seitenständer umgerüstet.
Benutzeravatar

langer
Domi-Superprofi
Beiträge: 4767
Registriert: Sa 25. Mär 2017, 18:38
Wohnort: bei Bad Homburg / Taunus
Motorrad: RD08 EZ01.95 Jap. Zwittermodell
Kontaktdaten:

Re: Läuft mit ausgestecktem Seitenständerschalter

Beitrag von langer »

Schön zu hören.
Den Fehler solltest du, wenn Zeit da ist, nochmal systematisch angehen.
Grüsse langer 8-)
"Kunst muss es sein, wenn man‘s nicht kann... denn wenn man‘s kann, ist‘s keine Kunst"
Der Niedergang deutscher Ingenieurskunst begann mit dem DIN Stecker, ungeeigneten Materialien und beschleunigt mit VW...
Antworten