Hallo
Bin daran die Front meiner Domi (1990) um zu gestalten und suche dafür den Schaltplan von 1990.
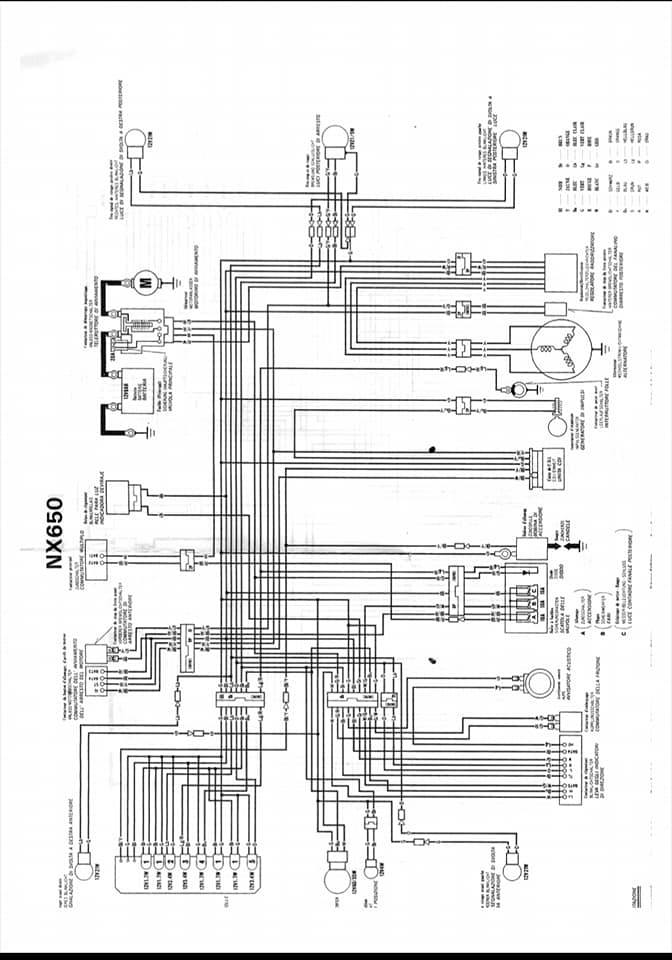
Ich habe im Wiki den Schaltplan der Honda NX650 RD02 ab 1988 gefunden. ( erste Serie steht im Wiki )
Ist der nicht falsch ?
Den Seitenständerschalter hatten doch nur nachvolgende modelle ab 1992 ?
Vielleicht ist der Schaltpaln im Wicki verwechselt worden ?
Ist das Schaltplan 1988 der gleiche wie auch der von 1990 ?
1988 - 1990 hatte die Dominator kein Seitenständerschalte wie auf dem Schema abgebildet .
Gruss Gian
Schaltplan 1988 v 1990
Moderator: Domitreffen
-
- Administrator
- Beiträge: 7909
- Registriert: Sa 28. Jan 2017, 21:58
- Wohnort: Bad Schönborn
- Motorrad: 88er Ur-Domi (natürlich in schwarz),
Honda CRF1000L Africa Twin DCT
Honda VTR 1000 Firestorm - Kontaktdaten:
Re: Schaltplan 1988 v 1990
Doch. Die europäischen Modelle hatten so ziemlich alle ab 1988 einen Seitenständerschalter.
Auch meine 88er hat einen, der mich eine zeitlang auch ganz schön zum Narren gehalten hatte.
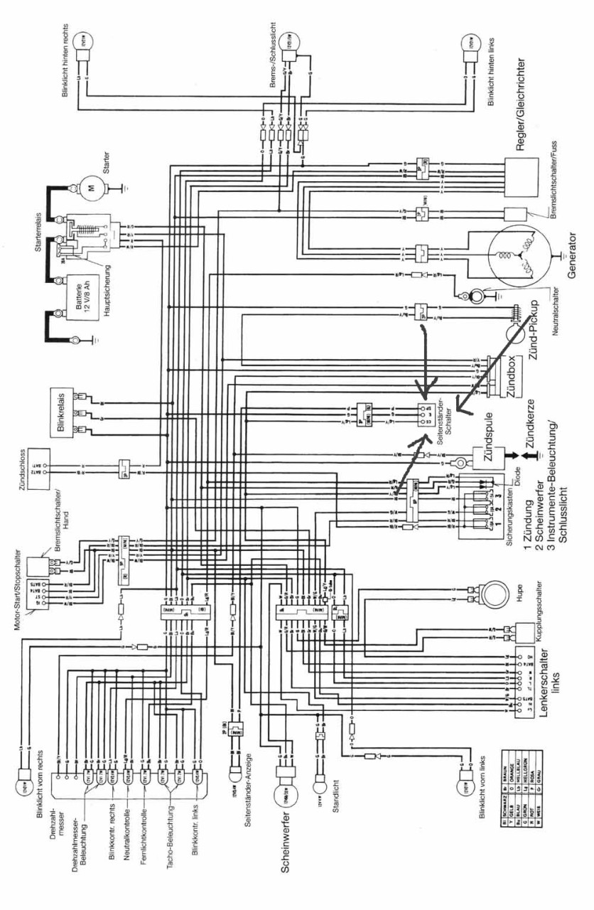
Evtl. hilft Dir der amerikanische Schaltplan, denn die haben keinen Seitenständerschalter. Im originalen WHB sind zwei Schaltpläne abgebildet. Ich habe aber auf die Schnelle jetzt nicht nach den Unterschieden schauen können.
Auch meine 88er hat einen, der mich eine zeitlang auch ganz schön zum Narren gehalten hatte.
Evtl. hilft Dir der amerikanische Schaltplan, denn die haben keinen Seitenständerschalter. Im originalen WHB sind zwei Schaltpläne abgebildet. Ich habe aber auf die Schnelle jetzt nicht nach den Unterschieden schauen können.
-
- Domi-Spezialist
- Beiträge: 352
- Registriert: Di 7. Sep 2021, 19:49
- Wohnort: Zürichsee
- Motorrad: Honda Dominator 650
Triumph Twin 900 - Kontaktdaten:
Re: Schaltplan 1988 v 1990
Hoi Steffensteffen hat geschrieben: ↑So 17. Apr 2022, 21:11 Doch. Die europäischen Modelle hatten so ziemlich alle ab 1988 einen Seitenständerschalter.
Auch meine 88er hat einen, der mich eine zeitlang auch ganz schön zum Narren gehalten hatte.
Evtl. hilft Dir der amerikanische Schaltplan, denn die haben keinen Seitenständerschalter. Im originalen WHB sind zwei Schaltpläne abgebildet. Ich habe aber auf die Schnelle jetzt nicht nach den Unterschieden schauen können.
Meine schweizer 1990 Domi hat keinen Seitenständerschalter, darum fragte ich verwundert nach.
Ich habe auch andere 1. Serie gesehen ohne Schalter.
Die hatten doch so einen Grossen Gummi am Seitenständer aber keinn Schalter.
- Dateianhänge
-
- seitenständer3.jpg (43.29 KiB) 1331 mal betrachtet
-
- seitenständer2.jpg (199.3 KiB) 1331 mal betrachtet
-
- seitenständer1.jpeg (82.07 KiB) 1331 mal betrachtet
-
- Domi-Spezialist
- Beiträge: 352
- Registriert: Di 7. Sep 2021, 19:49
- Wohnort: Zürichsee
- Motorrad: Honda Dominator 650
Triumph Twin 900 - Kontaktdaten:
Re: Schaltplan 1988 v 1990
Danke Steffen
Glaube dieser Schaltplan ist für die ersten Serien ohne Seitenständer Schalter
Gruss Gian
Glaube dieser Schaltplan ist für die ersten Serien ohne Seitenständer Schalter
Gruss Gian
- Dateianhänge
-
- prima serie.jpg (75.06 KiB) 1321 mal betrachtet
-
- Domi-Superprofi
- Beiträge: 2298
- Registriert: Mo 12. Aug 2019, 12:57
- Wohnort: El Centenillo
- Motorrad: 91er Domi 650
92er TDM850 3Vd - Kontaktdaten:
Re: Schaltplan 1988 v 1990
Ay, dann hast du so eine wie ich. European direct sales.
Ich habe mit diesem Schaltplan an meiner problemlos einen Deutschen Kabelbaum verbaut und den Seitenständer ignoriert.
Ich habe mit diesem Schaltplan an meiner problemlos einen Deutschen Kabelbaum verbaut und den Seitenständer ignoriert.
Saludos,
Gunnar
We have sufficient for everybody's needs, not for greed.
Mahatma Gandhi
Gunnar
We have sufficient for everybody's needs, not for greed.
Mahatma Gandhi
-
- Domi-Superprofi
- Beiträge: 1530
- Registriert: Di 12. Feb 2019, 01:38
- Wohnort: Karben
- Motorrad: Bali100, CB100, FES125 Pantheon, NSR125SP, NX250-MD21, NX250-MD25, CB450K1, CB450K5,
BMW R27, BMW R69S, - Kontaktdaten:
Re: Schaltplan 1988 v 1990
Hoi Gian - möglicherweise kann ich etwas Klarheit in die Angelegenheit bringen.
Auf den Honda Schaltplänen (die meist am Ende des WHB abgedruckt sind) gibt es unterschiedliche Versionen, die sich auf das jeweilige Auslieferungs-Land beziehen.
Bei dem von Dir eingestellten Schaltplan fehlt diese Länder-Kennung - keine Ahnung ob sie im Wiki dabei ist oder evtl. auch fehlt.
Es gilt als erstes einmal festzustellen, ob deine Domi ein offiziell über den schweizer Importeur eingeführtes Motorrad ist, oder ob das Motorrad auf anderem Weg in die Schweiz gelangt ist ! Dies sollte über die Fg.-Nr. mit Hilfe des schweizer Honda-Importeurs durchaus möglich sein.
Dieser Importeur kann auch feststellen, ob Honda Swiss z.B. weil die Domi dort in einem bestimmten Jahr 'ausverkauft' war - aus einem anderen Europ. Land mal schnell ein paar Hundert Domi's bekommen hat (dann stimmt der SW-Schaltplan natürlich auch nicht).
Begeistert wird der Importeur von einem derartigen Ansinnen allerdings nicht sein - bedeutet so etwas einen erheblichen Arbeits-Aufwand für ihn. Allerdings wie überall - der Ton macht die Musik ... (ich versuche bei derartigen Unterfangen zuerst einmal einen tel. Kontakt herzustellen) ; sobald ich einen Namen eines verantwortlichen habe, geht es dann schriftl. weiter und zwar alles auf der Schiene - 'lieb, nett & höflich' - ebenfalls teile ich in meinen Schreiben mit das ich 'sehr_gerne' bereit bin, evtl. anfallende Kosten zu übernehmen.
In derartigen Fällen wurde mir nach dem geschilderten Schema schon sehr oft geholfen - und zwar ohne etwas für die Hilfe bezahlen zu müssen (sehr oft hat aber anschließend eine Flasche Cognac den Besitzer gewechselt
).
MfG. Herbert
Auf den Honda Schaltplänen (die meist am Ende des WHB abgedruckt sind) gibt es unterschiedliche Versionen, die sich auf das jeweilige Auslieferungs-Land beziehen.
Bei dem von Dir eingestellten Schaltplan fehlt diese Länder-Kennung - keine Ahnung ob sie im Wiki dabei ist oder evtl. auch fehlt.
Es gilt als erstes einmal festzustellen, ob deine Domi ein offiziell über den schweizer Importeur eingeführtes Motorrad ist, oder ob das Motorrad auf anderem Weg in die Schweiz gelangt ist ! Dies sollte über die Fg.-Nr. mit Hilfe des schweizer Honda-Importeurs durchaus möglich sein.
Dieser Importeur kann auch feststellen, ob Honda Swiss z.B. weil die Domi dort in einem bestimmten Jahr 'ausverkauft' war - aus einem anderen Europ. Land mal schnell ein paar Hundert Domi's bekommen hat (dann stimmt der SW-Schaltplan natürlich auch nicht).
Begeistert wird der Importeur von einem derartigen Ansinnen allerdings nicht sein - bedeutet so etwas einen erheblichen Arbeits-Aufwand für ihn. Allerdings wie überall - der Ton macht die Musik ... (ich versuche bei derartigen Unterfangen zuerst einmal einen tel. Kontakt herzustellen) ; sobald ich einen Namen eines verantwortlichen habe, geht es dann schriftl. weiter und zwar alles auf der Schiene - 'lieb, nett & höflich' - ebenfalls teile ich in meinen Schreiben mit das ich 'sehr_gerne' bereit bin, evtl. anfallende Kosten zu übernehmen.
In derartigen Fällen wurde mir nach dem geschilderten Schema schon sehr oft geholfen - und zwar ohne etwas für die Hilfe bezahlen zu müssen (sehr oft hat aber anschließend eine Flasche Cognac den Besitzer gewechselt

MfG. Herbert
... war nie wirklich weg - hab mich nur versteckt ... (Marius-M.-W.)
-
- Domi-Spezialist
- Beiträge: 352
- Registriert: Di 7. Sep 2021, 19:49
- Wohnort: Zürichsee
- Motorrad: Honda Dominator 650
Triumph Twin 900 - Kontaktdaten:
Re: Schaltplan 1988 v 1990
Hoi und Danke Herbert
Also hergestellt in Japan und in die Schweiz geliefert.
Erkannt man auch am Vergaser mit komischer Gemischeinstellschraube.
Inzwischen habe ich einen rev. 1988 Motor im Rahmen.
Habe damals an Honda Schweiz nachgefragt und sie haben mir dieses etwas unleserlich Fax schreiben geschickt
Motorrad ist aus 1990 und inzwischen habe ich auch die uneinstellbare oder nur mit Spezialwerkzeug einstellbare Gemischschraube ersetzt.
Ja Ja die schweizer Modelle haben es in sich
Wollte den richtigen Schaltlan um den kleinen runden Tacho anzuschliessen , aber denke es geht auch mit diesem Schaltplan NX 650 oder ich messe es einfach aus.
Lg Gian
Also hergestellt in Japan und in die Schweiz geliefert.
Erkannt man auch am Vergaser mit komischer Gemischeinstellschraube.
Inzwischen habe ich einen rev. 1988 Motor im Rahmen.
Habe damals an Honda Schweiz nachgefragt und sie haben mir dieses etwas unleserlich Fax schreiben geschickt
Motorrad ist aus 1990 und inzwischen habe ich auch die uneinstellbare oder nur mit Spezialwerkzeug einstellbare Gemischschraube ersetzt.
Ja Ja die schweizer Modelle haben es in sich

Wollte den richtigen Schaltlan um den kleinen runden Tacho anzuschliessen , aber denke es geht auch mit diesem Schaltplan NX 650 oder ich messe es einfach aus.
Lg Gian
- Dateianhänge
-
- 001.jpg (65.08 KiB) 1268 mal betrachtet
-
- nx650.jpg (75.06 KiB) 1268 mal betrachtet
-
- Domi-Superprofi
- Beiträge: 2298
- Registriert: Mo 12. Aug 2019, 12:57
- Wohnort: El Centenillo
- Motorrad: 91er Domi 650
92er TDM850 3Vd - Kontaktdaten:
Re: Schaltplan 1988 v 1990
Für die Belegung deines Tachos sollte der Schaltplan reichen. Soweit ich weiß, ist die Farbkodierung die gleiche. Hast du das WHB? Da ist auch einer drin.
Saludos,
Gunnar
We have sufficient for everybody's needs, not for greed.
Mahatma Gandhi
Gunnar
We have sufficient for everybody's needs, not for greed.
Mahatma Gandhi