Heute war endlich der "neue" Kabelbaum dran.
Die Block und Japanstecker sind Vorige Woche schon angekommen, da hatte ich aber keine Zeit.
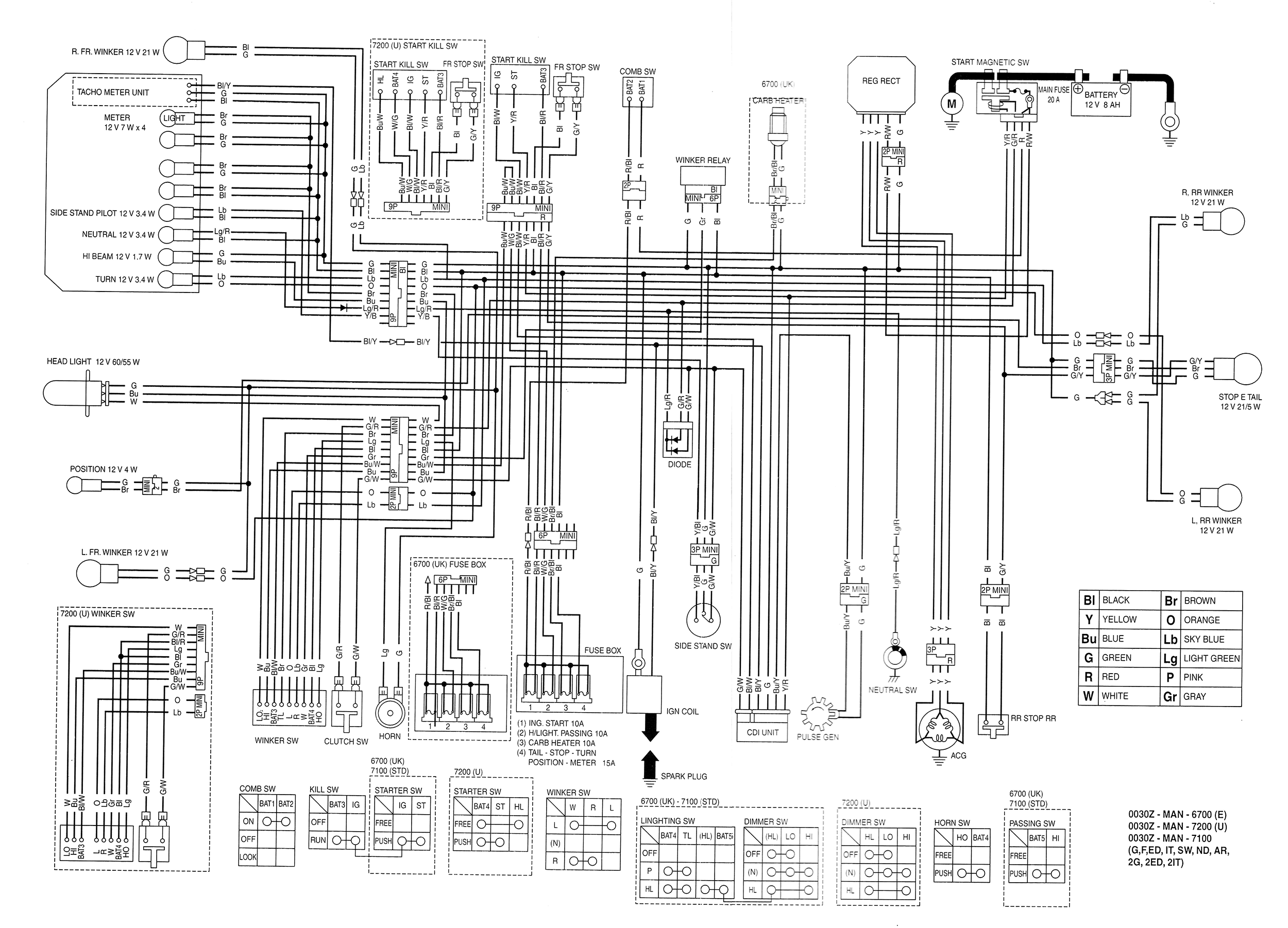
Die Elektrik musste neu wegen wegen sowas
und sowas

- kabel-3.jpg (173.78 KiB) 3815 mal betrachtet
und noch mehr sone Sachen.
Alles schön vorbereitet
und angefangen.
Ging auch an sich recht gut.
Das seltsamste war dass jemand die Kabel vom Impulsgeber direkt an die CDI gefrikkelt hat und den Originalen Stecker abgeschnitten und kurzgeschlossen
War gar nicht vom Seitenständerschalter. Habe ich nicht. Brauche ich nicht.
Es sieht jetzt wesentlich aufgeräumter aus und zumindest der Kabelbaum ist so wie er sein sollte.

- kabel-4.jpg (210.73 KiB) 3815 mal betrachtet
Alles funktioniert auch so weit. Fast alles. Der Scheinwerfer wirft keine Scheine und auch keine Kleingeld. Tote Hose
Dafür leuchtet das Rücklicht sobald ich den Schlüssel auf Kontakt drehe. Was stellte sich heraus: Scheinbar stammt der Kabelbaum aus dem Schlachtfest von einer Domi ohne Lichtschalter und ohne Standlicht. Mit beidem (oder eigentlich ohne beides) könnte ich leben. Jetzt muss ich entweder einen passenden Lenkerblock bekommen oder meinen so um konfigurieren, dass ich Licht habe und auch auf Fernlicht umschalten kann. Was ich nicht möchte ist wieder extra Strippen ziehen.
So sieht das aus. Jemand auf die Schnelle eine Idee bevor ich anfange im Schalter zu löten und einen neuen Stecker dran zu machen?

- kabel-6.jpg (64.39 KiB) 3815 mal betrachtet
Edith ruft gerade noch aus der Garage (

)(anderer Fred?) das weder sie noch ich einen Schaltplan mit mit so einem siebenpoligen Schalter finden können.