Bitte um Hilfe: Kabelbaum vereinfachen (Minimal-Elektrik)

NX 500 / NX 650 / SLR 650 / FMX 650

Moderator: Domitreffen

Antworten
Benutzeravatar

Verfasser
BertNX94
Domi-Newbie
Beiträge: 8
Registriert: Di 4. Jan 2022, 22:38
Wohnort: Berlin
Motorrad: Dominator RD02 1994
Kontaktdaten:

Bitte um Hilfe: Kabelbaum vereinfachen (Minimal-Elektrik)

Beitrag von BertNX94 »

Hallo in die Runde,
ich baue eine 1994er RD02 für Flat Track-Rennen um. Lichtanlage, Seitenständerschalter, Zündschloss, Kontrolleuchten etc. sind deshalb überflüssig.
Gebraucht wird nur Strom für die Zündkerze, der originale Start- und Stop-Schalter soll erhalten bleiben und anstelle des Zündschlosses ein "Notaus-Killswitch".
Leider bin ich bez. Elektrik ne ziemliche Pfeife. Ich habe hier im Forum schon ne Menge recherchiert (Dioden, Seitenständerschalter), was mir aber vor allem gezeigt hat: Ich bin hilfsbedürftig :D
Meine Bitte: Gibt es hier jemanden mit Sachverstand, der bereit wäre, mit kritischem Blick meinen unten angehängten vereinfachten Schaltplan ins Visier zu nehmen? :ugeek:
Mir ist klar, dass das keine Kleinigkeit ist und dementsprechend wird es mir eine Freude sein, mich erkenntlich zu zeigen. Sei es mit ner guten Flasche Bourbon, Domi-Teilen o.ä. :-)
DANKE!

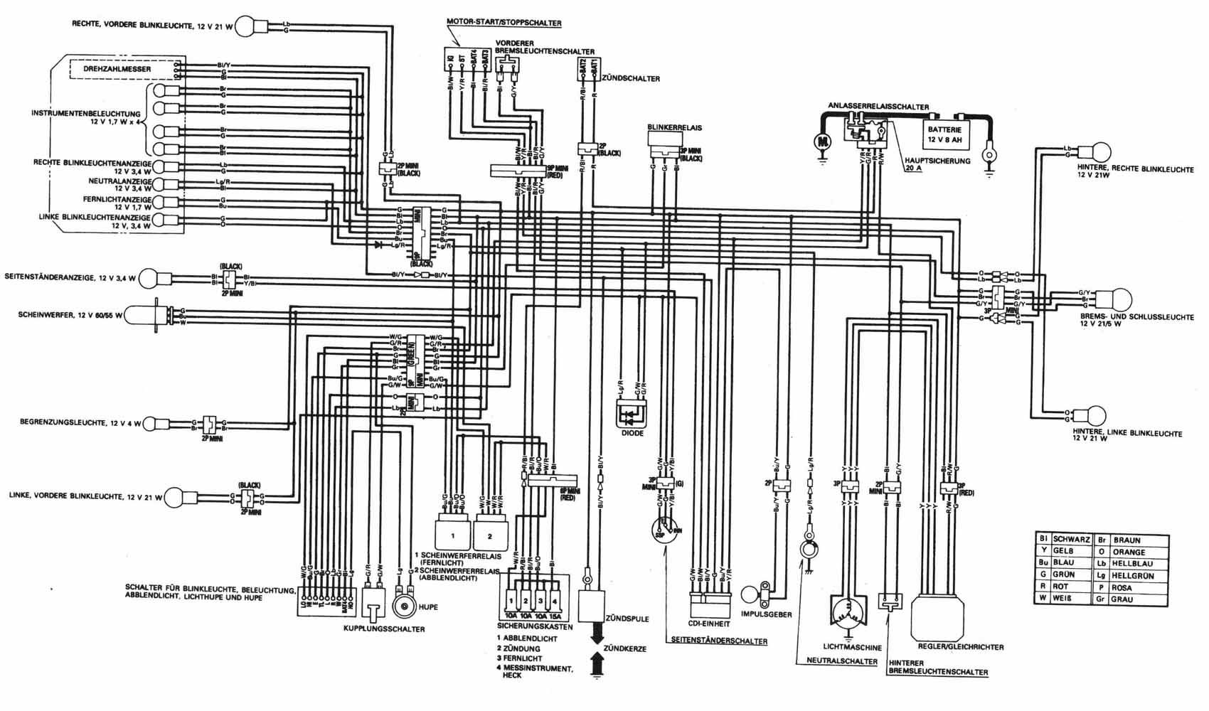
Original:
Originaler Schaltplan.JPG
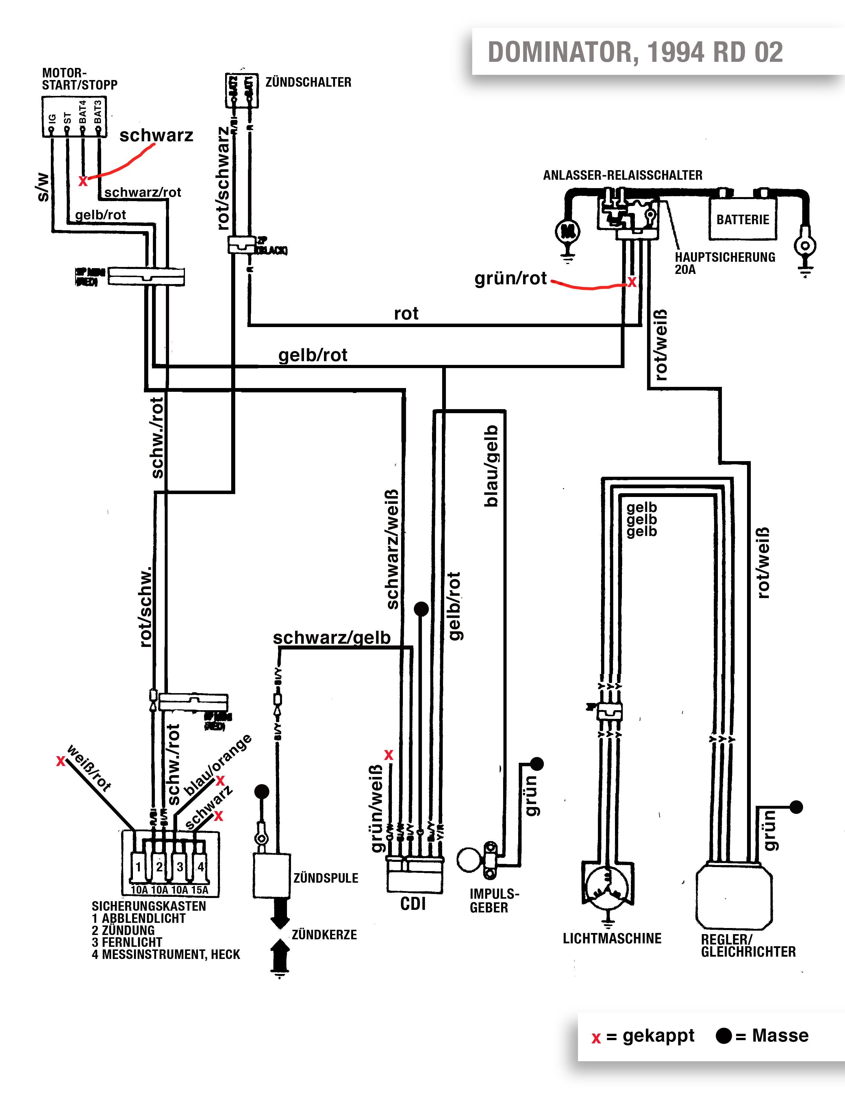
Geplante Vereinfachung:
Schaltplan_Stand7.1.22.jpg
Zuletzt geändert von BertNX94 am Fr 7. Jan 2022, 14:54, insgesamt 2-mal geändert.
Benutzeravatar

RFVC Aktivist
Domi-Fahrer
Beiträge: 151
Registriert: Mo 18. Okt 2021, 07:23
Wohnort: Bern
Motorrad: - 2 x 88er Dominator
- Ducati M900 i.e. Baujahr 2002
Kontaktdaten:

Re: Bitte um Hilfe: Kabelbaum vereinfachen (Minimal-Elektrik)

Beitrag von RFVC Aktivist »

Willst du die Domi mit E-Starter betreiben, oder noch ein paar Gramm sparen und Unnötiges rausschmeissen?
Nachtrag:
Hab deinen Vorschlag beäugt... Starter bleibt.
Stellt sich die Frage, ob es die Lichtmaschine noch braucht... oder die schwere Batterie...
Batterie drinlassen und Lichtmaschine raus oder Lichtmaschine drinnlassen und kleinen Akku rein. Ich würde zweites tun.
Zuletzt geändert von RFVC Aktivist am Mi 5. Jan 2022, 18:28, insgesamt 2-mal geändert.
Benutzeravatar

langer
Domi-Superprofi
Beiträge: 4905
Registriert: Sa 25. Mär 2017, 18:38
Wohnort: bei Bad Homburg / Taunus
Motorrad: RD08 EZ01.95 Jap. Zwittermodell
Kontaktdaten:

Re: Bitte um Hilfe: Kabelbaum vereinfachen (Minimal-Elektrik)

Beitrag von langer »

Sieht auf den ersten Blick ok aus (aber noch keine Gewähr, da nur ein erster Blick).
Leider sind die Bezeichnungen der Klemmen und die der Adernfarben dermassen zu tode kopiert, da sie teils nur noch zu erahnen sind.

Du hast geschrieben den Zündschlosschalter durch einen Notaus zu ersetzen. Wird dafür der Schalterteil des Zündschloss verwendet oder ein anderer Schalter ?
Falls ein anderer, sollte der ungefähr das Schaltvermögen des Zündschlosschalter haben, der ori. Killschalter würde dafür (ohne ein Relais) nicht ausreichen.
Grüsse langer 8-)
"Kunst muss es sein, wenn man‘s nicht kann... denn wenn man‘s kann, ist‘s keine Kunst"
Der Niedergang deutscher Ingenieurskunst begann mit dem DIN Stecker, ungeeigneten Materialien und beschleunigt mit VW...
Benutzeravatar

langer
Domi-Superprofi
Beiträge: 4905
Registriert: Sa 25. Mär 2017, 18:38
Wohnort: bei Bad Homburg / Taunus
Motorrad: RD08 EZ01.95 Jap. Zwittermodell
Kontaktdaten:

Re: Bitte um Hilfe: Kabelbaum vereinfachen (Minimal-Elektrik)

Beitrag von langer »

PS.
Deine händisch eingezeichnete Masse am Regler wäre, falls es noch ein 6 pol Regler wäre
(auch wenn ich die Adernbez. dort gar nimmer entziffern kann) keine Masse, sondern Steuerplus.
Falls es ein 5 pol Regler ist (wahrscheinlich, da nur die ganz alten Domi Regler ein geschaltetes Plus benötigten) fällt diese Ader ganz weg.

Allen "G" (grün = Masse) einen guten Massepunkt spendieren.
Es muss nicht zwingend ein gemeinsamer Punkt sein, nur "gut" (auch korrosionsbeständig, langzeitlich gut) sollten die Punkte sein.
Grüsse langer 8-)
"Kunst muss es sein, wenn man‘s nicht kann... denn wenn man‘s kann, ist‘s keine Kunst"
Der Niedergang deutscher Ingenieurskunst begann mit dem DIN Stecker, ungeeigneten Materialien und beschleunigt mit VW...
Benutzeravatar

langer
Domi-Superprofi
Beiträge: 4905
Registriert: Sa 25. Mär 2017, 18:38
Wohnort: bei Bad Homburg / Taunus
Motorrad: RD08 EZ01.95 Jap. Zwittermodell
Kontaktdaten:

Re: Bitte um Hilfe: Kabelbaum vereinfachen (Minimal-Elektrik)

Beitrag von langer »

RFVC Aktivist hat geschrieben: Mi 5. Jan 2022, 18:21 ...Stellt sich die Frage, ob es die Lichtmaschine noch braucht... oder die schwere Batterie...
Batterie drinlassen und Lichtmaschine raus oder Lichtmaschine drinnlassen und kleinen Akku rein. Ich würde zweites tun.
Ohne Lima würde das mit einer originalen Domi CDI ohnehin nicht lange gut gehen, da deren Stromaufnahme (analoges Schaltnetzteil mit sehr mässigem Wirkungsgrad) recht hoch ist.
Mit einer modernen CDI (u.a. gescheites Schaltnetzteil) ginge das deutlich länger.

Der Haupt Gewichtsanteil der Lima ist der Rotor. Da der auch als Schwungmasse gebraucht wird, kann man den sowieso nicht weglassen.
Selbst wenn der erleichtert würde, wäre der Stator und seine Wicklung immer noch ein Leichtgewicht gegen den Rotor und sein weglassen wäre ausser jeder Relation.
In seinem Fall (ohne Licht) lieber eine kleine leichtere Batterie (hier wäre Li-... wenn er nicht im Winter starten muss wirklich gut geeignet) und die Lima funktionsfähig lassen.
Grüsse langer 8-)
"Kunst muss es sein, wenn man‘s nicht kann... denn wenn man‘s kann, ist‘s keine Kunst"
Der Niedergang deutscher Ingenieurskunst begann mit dem DIN Stecker, ungeeigneten Materialien und beschleunigt mit VW...
Benutzeravatar

Verfasser
BertNX94
Domi-Newbie
Beiträge: 8
Registriert: Di 4. Jan 2022, 22:38
Wohnort: Berlin
Motorrad: Dominator RD02 1994
Kontaktdaten:

Re: Bitte um Hilfe: Kabelbaum vereinfachen (Minimal-Elektrik)

Beitrag von BertNX94 »

Wow! So schnell so viele und vor allem fundierte Antworten - vielen Dank!
RFVC Aktivist hat geschrieben: Mi 5. Jan 2022, 18:21 Willst du die Domi mit E-Starter betreiben, oder noch ein paar Gramm sparen und Unnötiges rausschmeissen?
Nachtrag:
Hab deinen Vorschlag beäugt... Starter bleibt.
Stellt sich die Frage, ob es die Lichtmaschine noch braucht... oder die schwere Batterie...
Batterie drinlassen und Lichtmaschine raus oder Lichtmaschine drinnlassen und kleinen Akku rein. Ich würde zweites tun.
Lima soll drin bleiben, als Batterie hab ich ne Lithium Ionen(800g). Gewichtsersparnis ist in dem Fall nicht so wichtig (und sie wird ohnehin ordentlich abgespeckt)
Wird ein "Wettbewerbsfahrzeug", möchte es aber trotzdem gern bequem haben (starten per Knopfdruck, Batterie wird geladen etc.). Bin ein alter Mann :-)

langer hat geschrieben: Mi 5. Jan 2022, 18:25 Sieht auf den ersten Blick ok aus (aber noch keine Gewähr, da nur ein erster Blick).
Leider sind die Bezeichnungen der Klemmen und die der Adernfarben dermassen zu tode kopiert, da sie teils nur noch zu erahnen sind.

Du hast geschrieben den Zündschlosschalter durch einen Notaus zu ersetzen. Wird dafür der Schalterteil des Zündschloss verwendet oder ein anderer Schalter ?
Falls ein anderer, sollte der ungefähr das Schaltvermögen des Zündschlosschalter haben, der ori. Killschalter würde dafür (ohne ein Relais) nicht ausreichen.
Hab nen Ausdruck des originalen Schaltplans mit TippEx "aufgeräumt", und das Ergebnis dann eingescannt. Daher die schlechte Lesbarkeit.
EDIT: Habe gerade im ersten Posting die alte Version gegen eine besser lesbare ausgetauscht.
Unsicher bin ich vor allem hinsichtlich der Dioden und des Seitenständerschalters. Die Dioden sind jetzt einfach rausgeflogen (Kuluschalter natürlich auch).
Und: Aktuell ist das schwarze Kabel des Start-/Stoppschalters nicht verbunden. Weißt du, ob das so klargeht?

Der Zündschloss-Schalter fliegt raus und wird durch so nen Dongel mit Reißleine ersetzt. (den originalen Start- und dementsprechend auch Killschalter will ich zusätzlich dran lassen)
Wenn ich es richtig gelesen habe, unterbricht das Zündschloss einfach nur den Stromkreis. Also könnte ich die beiden Kabel einfach auf einen "öffnenden" Killswitch legen, oder?
langer hat geschrieben: Mi 5. Jan 2022, 18:31 PS.
Deine händisch eingezeichnete Masse am Regler wäre, falls es noch ein 6 pol Regler wäre
(auch wenn ich die Adernbez. dort gar nimmer entziffern kann) keine Masse, sondern Steuerplus.
Falls es ein 5 pol Regler ist (wahrscheinlich, da nur die ganz alten Domi Regler ein geschaltetes Plus benötigten) fällt diese Ader ganz weg.

Allen "G" (grün = Masse) einen guten Massepunkt spendieren.
Es muss nicht zwingend ein gemeinsamer Punkt sein, nur "gut" (auch korrosionsbeständig, langzeitlich gut) sollten die Punkte sein.
Super, danke! Der Regler ist fünfpolig (3x gelb auf einem Stecker, rot-weiß und grün auf dem anderen)

langer hat geschrieben: Mi 5. Jan 2022, 19:21
RFVC Aktivist hat geschrieben: Mi 5. Jan 2022, 18:21 ...Stellt sich die Frage, ob es die Lichtmaschine noch braucht... oder die schwere Batterie...
Batterie drinlassen und Lichtmaschine raus oder Lichtmaschine drinnlassen und kleinen Akku rein. Ich würde zweites tun.
Ohne Lima würde das mit einer originalen Domi CDI ohnehin nicht lange gut gehen, da deren Stromaufnahme (analoges Schaltnetzteil mit sehr mässigem Wirkungsgrad) recht hoch ist.
Mit einer modernen CDI (u.a. gescheites Schaltnetzteil) ginge das deutlich länger.

Der Haupt Gewichtsanteil der Lima ist der Rotor. Da der auch als Schwungmasse gebraucht wird, kann man den sowieso nicht weglassen.
Selbst wenn der erleichtert würde, wäre der Stator und seine Wicklung immer noch ein Leichtgewicht gegen den Rotor und sein weglassen wäre ausser jeder Relation.
In seinem Fall (ohne Licht) lieber eine kleine leichtere Batterie (hier wäre Li-... wenn er nicht im Winter starten muss wirklich gut geeignet) und die Lima funktionsfähig lassen.
Danke! Lima soll drin bleiben, hab ne 3Ah-Li mit 800g dazu. Lohnt sich die Investition in eine moderne CdI trotzdem (hinsichtlich Zündung?)
Benutzeravatar

Mehrheit
Domi-Superprofi
Beiträge: 4233
Registriert: So 26. Mär 2017, 11:31
Wohnort: Stötten am Auerberg
Motorrad: BMW F 700 GS
CRF 250 LA "Schmuddelkind"
Kontaktdaten:

Re: Bitte um Hilfe: Kabelbaum vereinfachen (Minimal-Elektrik)

Beitrag von Mehrheit »

"Wettbewerbsfahrzeug" - da hätte ich dann gerne demnächst Bilder :-)

Und "Willkommen" und "Viel Erfolg" und und und

LG Sylvia
Benutzeravatar

langer
Domi-Superprofi
Beiträge: 4905
Registriert: Sa 25. Mär 2017, 18:38
Wohnort: bei Bad Homburg / Taunus
Motorrad: RD08 EZ01.95 Jap. Zwittermodell
Kontaktdaten:

Re: Bitte um Hilfe: Kabelbaum vereinfachen (Minimal-Elektrik)

Beitrag von langer »

Der Killschalter als "Hauptschalter"; die Kontakte dieses Schalter sind nicht für grössere Ströme geeignet, da der im Original nur die ca. 1500 mA der CDI schalten muss.
Das kann einige male gut gehen da es kein Licht mehr gibt (allerdings solltest dann nicht das Startrelais während dem schalten des Kills. gedrückt haben,
da dessen Wicklung schon deutlich mehr braucht). Betriebssicher ist das so nicht.
Dann mach wenigstens irgendwo einen Trenner hin (und sei es in Form einer neuzeitlichen Stecksicherung)
an die du schnell rankommen würdest, falls es mal (z.B. wenn irgendwas kokelt) nötig wird.
Ansonsten wäre im Notfall keine Trennung möglich (die Kontakte des Killschalter würden in so einem Fall sofort "Punktgeschweisst" sein)
und bis man dann die Batterie abgeklemmt hätte, wäre eh alles zu spät...

Eine neue gescheite CDI wäre gut, da die zum einen weniger Strom verbraucht, eine niedrigere Mindestspannung braucht
(gerade das starten mit der kleinen Batterie...) und deutlich mehr Zündenergie bereit stellt.
Besserer Start, besserer Lauf (Kerze dann auf 1 mm Elektrodenabstand, damit wird es erst richtig deutlich).
Grüsse langer 8-)
"Kunst muss es sein, wenn man‘s nicht kann... denn wenn man‘s kann, ist‘s keine Kunst"
Der Niedergang deutscher Ingenieurskunst begann mit dem DIN Stecker, ungeeigneten Materialien und beschleunigt mit VW...
Benutzeravatar

Verfasser
BertNX94
Domi-Newbie
Beiträge: 8
Registriert: Di 4. Jan 2022, 22:38
Wohnort: Berlin
Motorrad: Dominator RD02 1994
Kontaktdaten:

Re: Bitte um Hilfe: Kabelbaum vereinfachen (Minimal-Elektrik)

Beitrag von BertNX94 »

Hallo Langer, danke für deine Antworten. Hier konkrete Fragen und ein ordentlich lesbarer Schaltplan (in dem jetzt auch schon Hinweise von dir eingeflossen sind):
langer hat geschrieben: Do 6. Jan 2022, 12:32 Der Killschalter als "Hauptschalter"; die Kontakte dieses Schalter sind nicht für grössere Ströme geeignet, da der im Original nur die ca. 1500 mA der CDI schalten muss.
Hatte mich wohl missverständlich ausgedrückt. Als "Hauptschalter" soll sowas zum Einsatz kommen: "Unterbrecher-Killschalter" (bei abgezogener Reißleine wird der Stromkreis unterbrochen). Geplant war, den anstelle des Zündschlosses zu setzen (Also über diesen Reißleinen-Schalter das rot/schwarze mit dem roten Kabel zu verbinden bzw. zu trennen).
Z-8018O_rotKnopf.jpg
Z-8018O_rotKnopf.jpg (28.01 KiB) 4306 mal betrachtet
1. GEHT DAS, ODER HAB ICH DA EINEN DENKFEHLER?

Wenn ich dich richtig verstanden habe, ist der wahrscheinlich auch nur für schwächere Ströme ausgelegt, so dass ich ihn zum Killen nur nur ein Massekabel öffnen/schließen lassen sollte.
2 KANN ICH DIE BEIDEN ZÜNDSCHALTERKABEL (ALSO DAS ROTE UND DAS ROT/SCHWARZE) DIREKT VERBINDEN?


3. BEZ. CDI: KANNST DU EINE EMPFEHLEN?
(Hab dein CDI-Topic gelesen; Programmierung klingt reizvoll, da aber Elektrik meine Achillesferse ist, möchte ich gern eine plug&play-Lösung verbauen.) Die Suche hat die zwei hier ausgespuckt: https://mtp-racing.de/CDI-Einheit-ohne- ... bschaltung und https://cdi-shop.de/shop/honda-dominato ... di650-d-95 Vermutlich wie fast immer: Qualität hat ihren Preis, also die vom CDI-Shop nehmen, oder?

3. KÖNNTEST DU NOCHMAL EINEN KRITISCHEN BLICK AUF DIESEN SCHALTPLAN WERFEN?
Schaltplan_Stand7.1.22.jpg

DANKE!
Benutzeravatar

langer
Domi-Superprofi
Beiträge: 4905
Registriert: Sa 25. Mär 2017, 18:38
Wohnort: bei Bad Homburg / Taunus
Motorrad: RD08 EZ01.95 Jap. Zwittermodell
Kontaktdaten:

Re: Bitte um Hilfe: Kabelbaum vereinfachen (Minimal-Elektrik)

Beitrag von langer »

Kenne diesen Reissleinenschalter nicht, keine Ahnung welche Ströme der darf/kann. Gibt es vom Händler/Hersteller ein Datenblatt ?
Falls nicht, könnte man es abschätzen wenn man dessen Kontakte (Art und grösse) anschauen kann.
Ansonsten gäbe es (immer) die Möglichkeit mit diesem ein Relais mit entsprechender Kontaktleistung anzusteuern. Das wäre Grundsätzlich immer der beste Weg.

Aus leidlicher Erfahrung mit einigen anderen aftermarket CDI's... (siehe hier viewtopic.php?f=12&t=3223)
kann ich dir auf jeden Fall diese CDI
https://www.amazon.de/gp/product/B01B6Q ... UTF8&psc=1
nach allen bisherigen Erkenntnissen wärmstens empfehlen.

Eine moderne digi mit guten Schaltnetzteil (sehr hoher Wirkungsgrad = wenig Stromaufnahme), kein gezicke mit dem etwas unglücklichen Domi OT-Signal,
ordentlich Leistung, eine für die Domi geeignete Zündkurve ! Spannungsschwelle sogar noch unterhalb 6 V
(was Grundsätzlich gegenüber den ewigen Unterspannungs - Startproblemen der ori. CDI schon mal sehr gut ist und gerade für dein Vorhaben mit der Li-Io geradezu perfekt)
und das hier in D lagernd für 55 €.

PS.
In deinen Schaltplan guck ich heute Abend, oder Bitte auch jeder hier, mal rein.
Grüsse langer 8-)
"Kunst muss es sein, wenn man‘s nicht kann... denn wenn man‘s kann, ist‘s keine Kunst"
Der Niedergang deutscher Ingenieurskunst begann mit dem DIN Stecker, ungeeigneten Materialien und beschleunigt mit VW...
Benutzeravatar

RFVC Aktivist
Domi-Fahrer
Beiträge: 151
Registriert: Mo 18. Okt 2021, 07:23
Wohnort: Bern
Motorrad: - 2 x 88er Dominator
- Ducati M900 i.e. Baujahr 2002
Kontaktdaten:

Re: Bitte um Hilfe: Kabelbaum vereinfachen (Minimal-Elektrik)

Beitrag von RFVC Aktivist »

Da ich die Wettbewerbsbedingungen nicht kenne... Ich nehme an, bei einem Sturz soll die Reissleine den Motor ausmachen. Wäre, um keine hohen Ströme zu schalten, eine Variante, den Impulsgeber zu unterbrechen?
Benutzeravatar

langer
Domi-Superprofi
Beiträge: 4905
Registriert: Sa 25. Mär 2017, 18:38
Wohnort: bei Bad Homburg / Taunus
Motorrad: RD08 EZ01.95 Jap. Zwittermodell
Kontaktdaten:

Re: Bitte um Hilfe: Kabelbaum vereinfachen (Minimal-Elektrik)

Beitrag von langer »

Ginge auch.
Allerdings würde ich, ob der leichten Beeinflussbarkeit des Gebersignal bei der Domi inzwischen vorsichtig sein,
diese Strecke mit zusätzlichen Kabelstrecken, weiteren Steckern, Schaltern etc. zu versehen.
Um nur den Motor zu stoppen wäre, mit dem Reissleinendings der CDI ihrer Betriebsspannung zu entziehen (egal ob Plus oder Masse, wäre einfacher zu machen) leicht möglich.

Besser wäre allerdings, da dies im Fall eines Unfall durchaus relevant werden kann (Brandgefahr etc.),
wenn dann (wie beim ori Zündschlosschalter) der gesamte Kabelbaum Spannungsfrei würde.
Grüsse langer 8-)
"Kunst muss es sein, wenn man‘s nicht kann... denn wenn man‘s kann, ist‘s keine Kunst"
Der Niedergang deutscher Ingenieurskunst begann mit dem DIN Stecker, ungeeigneten Materialien und beschleunigt mit VW...
Benutzeravatar

Tolek
Domi-Superprofi
Beiträge: 2593
Registriert: Mo 1. Okt 2018, 00:22
Motorrad: NX650
GG EC 400
ALP 200
Kontaktdaten:

Re: Bitte um Hilfe: Kabelbaum vereinfachen (Minimal-Elektrik)

Beitrag von Tolek »

Hab so einen an allen meinen Enduros . Bei denen mit Minimalelekrik über Relais als Hauptschalter für ALLES .Bei der Domi nur als zusätzlichen zum Serienkillschalter .Sinn macht der für mich nur beim Geländefahren oder auf der MX Strecke .Mir ist mal nach Abflug beim Springen die Kiste alleine weitergefahren , in die Gegenspur .Allerdings ein 2 Takter mit wenig Motorbremse .Mit ner Domi eher unwahrscheinlich.Den roten Gummischnuddel mußte am Rand immer "flutschig" halten , sonst geht die Lippe nicht so leicht über den Rand beim Einstecken .
Benutzeravatar

Verfasser
BertNX94
Domi-Newbie
Beiträge: 8
Registriert: Di 4. Jan 2022, 22:38
Wohnort: Berlin
Motorrad: Dominator RD02 1994
Kontaktdaten:

Re: Bitte um Hilfe: Kabelbaum vereinfachen (Minimal-Elektrik)

Beitrag von BertNX94 »

Tolek hat geschrieben: Mi 12. Jan 2022, 17:10 Hab so einen an allen meinen Enduros . Bei denen mit Minimalelekrik über Relais als Hauptschalter für ALLES .Bei der Domi nur als zusätzlichen zum Serienkillschalter .Sinn macht der für mich nur beim Geländefahren oder auf der MX Strecke .Mir ist mal nach Abflug beim Springen die Kiste alleine weitergefahren , in die Gegenspur .Allerdings ein 2 Takter mit wenig Motorbremse .Mit ner Domi eher unwahrscheinlich.Den roten Gummischnuddel mußte am Rand immer "flutschig" halten , sonst geht die Lippe nicht so leicht über den Rand beim Einstecken .
Ok, danke! Guter Punkt, ich packe ihn einfach vor den originalen Motorstoppschalter. Weißt du, ob das ein Öffner oder Schließer ist?
Und kann ich (um das überflüssige originale Zündschloss rauszuschmeißen) einfach die beiden Kabel (rot/schwarz und rot) verbinden?
Benutzeravatar

Verfasser
BertNX94
Domi-Newbie
Beiträge: 8
Registriert: Di 4. Jan 2022, 22:38
Wohnort: Berlin
Motorrad: Dominator RD02 1994
Kontaktdaten:

Re: Bitte um Hilfe: Kabelbaum vereinfachen (Minimal-Elektrik)

Beitrag von BertNX94 »

langer hat geschrieben: Fr 7. Jan 2022, 17:10 Aus leidlicher Erfahrung mit einigen anderen aftermarket CDI's... (siehe hier viewtopic.php?f=12&t=3223)
kann ich dir auf jeden Fall diese CDI
https://www.amazon.de/gp/product/B01B6Q ... UTF8&psc=1
nach allen bisherigen Erkenntnissen wärmstens empfehlen.

Eine moderne digi mit guten Schaltnetzteil (sehr hoher Wirkungsgrad = wenig Stromaufnahme), kein gezicke mit dem etwas unglücklichen Domi OT-Signal,
ordentlich Leistung, eine für die Domi geeignete Zündkurve ! Spannungsschwelle sogar noch unterhalb 6 V
(was Grundsätzlich gegenüber den ewigen Unterspannungs - Startproblemen der ori. CDI schon mal sehr gut ist und gerade für dein Vorhaben mit der Li-Io geradezu perfekt)
und das hier in D lagernd für 55 €.

PS.
In deinen Schaltplan guck ich heute Abend, oder Bitte auch jeder hier, mal rein.
Danke für die Empfehlung, bestellt und liegt seit heute auch schon auf der Werkbank.
Version ohne Seitenständerschalter, das heißt, dieses "Überbrückungsgefummel" ist damit schon mal erledigt :-)
Benutzeravatar

langer
Domi-Superprofi
Beiträge: 4905
Registriert: Sa 25. Mär 2017, 18:38
Wohnort: bei Bad Homburg / Taunus
Motorrad: RD08 EZ01.95 Jap. Zwittermodell
Kontaktdaten:

Re: Bitte um Hilfe: Kabelbaum vereinfachen (Minimal-Elektrik)

Beitrag von langer »

BertNX94 hat geschrieben: Do 13. Jan 2022, 23:28 ...bestellt und liegt seit heute auch schon auf der Werkbank.
Version ohne Seitenständerschalter, das heißt, dieses "Überbrückungsgefummel" ist damit schon mal erledigt :-)
Weil du (eindeutig in deinem Schaltplan erkennbar) geplant hattest keinen Seitenständerschalter mehr zu verwenden, hatte ich das wissentlich gar nicht mehr extra erwähnt.
Diese CDI trotzdem mit Seitenständerabschaltung zu nutzen, wäre aber ebenfalls kein Problem (falls du die mal in einer regulären Domi verwenden willst).
Grüsse langer 8-)
"Kunst muss es sein, wenn man‘s nicht kann... denn wenn man‘s kann, ist‘s keine Kunst"
Der Niedergang deutscher Ingenieurskunst begann mit dem DIN Stecker, ungeeigneten Materialien und beschleunigt mit VW...
Benutzeravatar

Tolek
Domi-Superprofi
Beiträge: 2593
Registriert: Mo 1. Okt 2018, 00:22
Motorrad: NX650
GG EC 400
ALP 200
Kontaktdaten:

Re: Bitte um Hilfe: Kabelbaum vereinfachen (Minimal-Elektrik)

Beitrag von Tolek »

BertNX94 hat geschrieben: Do 13. Jan 2022, 23:25
Tolek hat geschrieben: Mi 12. Jan 2022, 17:10 Hab so einen an allen meinen Enduros . Bei denen mit Minimalelekrik über Relais als Hauptschalter für ALLES .Bei der Domi nur als zusätzlichen zum Serienkillschalter .Sinn macht der für mich nur beim Geländefahren oder auf der MX Strecke .Mir ist mal nach Abflug beim Springen die Kiste alleine weitergefahren , in die Gegenspur .Allerdings ein 2 Takter mit wenig Motorbremse .Mit ner Domi eher unwahrscheinlich.Den roten Gummischnuddel mußte am Rand immer "flutschig" halten , sonst geht die Lippe nicht so leicht über den Rand beim Einstecken .
Ok, danke! Guter Punkt, ich packe ihn einfach vor den originalen Motorstoppschalter. Weißt du, ob das ein Öffner oder Schließer ist?
Und kann ich (um das überflüssige originale Zündschloss rauszuschmeißen) einfach die beiden Kabel (rot/schwarz und rot) verbinden?
In deinem Fall mit absolut minimalistischer Minimalelektrik würde ich den Schlüßelschalter durch den Not Aus Pümpel ersetzen .da fließen ja keine hohen Ströme .Es heisst zwar immer ,man soll Motore nur über den Killschalter ausmachen ,aber ob das so schlimm ist ? Kein Ahnung .
Ob Schliesser oder Öffner ist im unbetätigtem Zustand definiert , also in diesem Fall mit eingestecktem Pümpel .Da ist der Kontakt geschlossen ,also braucht man einen "Öffnerkontakt" ! Er öffnet bei betätigen .
Benutzeravatar

Verfasser
BertNX94
Domi-Newbie
Beiträge: 8
Registriert: Di 4. Jan 2022, 22:38
Wohnort: Berlin
Motorrad: Dominator RD02 1994
Kontaktdaten:

Re: Bitte um Hilfe: Kabelbaum vereinfachen (Minimal-Elektrik)

Beitrag von BertNX94 »

Vielen Dank für eure Tipps und Infos. Die Dominator war mittlerweile schon bei etlichen Trainings und Rennen im Einsatz. :-)
20220520-JP Purtilo-8976.jpg
Benutzeravatar

Mehrheit
Domi-Superprofi
Beiträge: 4233
Registriert: So 26. Mär 2017, 11:31
Wohnort: Stötten am Auerberg
Motorrad: BMW F 700 GS
CRF 250 LA "Schmuddelkind"
Kontaktdaten:

Re: Bitte um Hilfe: Kabelbaum vereinfachen (Minimal-Elektrik)

Beitrag von Mehrheit »

Mehrheit hat geschrieben: Do 6. Jan 2022, 10:35 "Wettbewerbsfahrzeug" - da hätte ich dann gerne demnächst Bilder :-)

Und "Willkommen" und "Viel Erfolg" und und und

LG Sylvia
Na, da danke ich auch brav :lol: :lol:

Irgendwie sieht die voll gelungen aus.
LG Sylvia

PS: so als Wettbewerbsfahrzeug..... ;)

Gockel500
Domi-Spezialist
Beiträge: 323
Registriert: Mo 24. Jul 2017, 10:27
Wohnort: Steiermark
Motorrad: Dominator 500 (1988); XT 500 (1993); Zephyr 750 (1996)
Kontaktdaten:

Re: Bitte um Hilfe: Kabelbaum vereinfachen (Minimal-Elektrik)

Beitrag von Gockel500 »

Super Cool!
Antworten