Restaurations-Tagebuch des Scheunenfundes RD02 1992

Schraubertips und -tricks, sowie alles was sonst nirgends reinpasst.

Moderator: Domitreffen

Benutzeravatar

Enola Gay
Domi-Superprofi
Beiträge: 1658
Registriert: Di 12. Feb 2019, 01:38
Wohnort: Karben
Motorrad: Bali100, CB100, FES125 Pantheon, NSR125SP, NX250-MD21, NX250-MD25, CB450K1, CB450K5,
BMW R27, BMW R69S,
Kontaktdaten:

Re: Restaurations-Tagebuch des Scheunenfundes RD02 1992

Beitrag von Enola Gay »

Löcher in die Lenkstange bohren? Können bei größerer Belastung, zB. Vollbremmsung, wie Sollbruchstellen wirken. Ich persönlich würde dringendst davon abraten. Sicherheit vor Schönheit
Hallo Rolf - ich habe schon 'viel_gesehen' - aber noch keinen (Stahl-)Lenker der abgebrochen wäre weil Löcher für Kabeldurchführungen oder Löcher für 'Verdrehsicherungen' von Lenkerschaltern gebohrt waren ... ;
Wenn bei Motorrädern der 70er u. 80er Jahre die Kabel ab Werk im Lenker geführt waren, dann kommt das Original-Ersatzteil bereits ebenfalls - 'fertig_gebohrt' ! Oder das Beispiel von Vorkriegs-Motorrädern, bei denen nicht nur Kabel, sondern sogar Bowdenzüge im Lenker verlegt waren !
Über die Bremswirkung einer Domi od. einer CB750 braucht hier ebenfalls nicht diskutiert werden - da passiert ganz sicher nichts ;) .

MfG. Herbert
... war nie wirklich weg - hab mich nur versteckt ... (Marius-M.-W.)
Benutzeravatar

Nickless
Domi-Superprofi
Beiträge: 4867
Registriert: Sa 25. Mär 2017, 20:22
Wohnort: Biebesheim/Rh.
Motorrad: 91iger Domi RD02, KTM 1190 Adventure
Kontaktdaten:

Re: Restaurations-Tagebuch des Scheunenfundes RD02 1992

Beitrag von Nickless »

Stimmt, hatte meine Suzuki auch. Waren 2 Bohrungen 3mm ab Werk. Da sollte die Statik stimmen. Aber bei 3 selbstgebohrten 5mm Löchern, wird der Lenker definitiv geschwächt. Meine Meinung
...was ich heute nicht mache, mache ich morgen, oder besser übermorgen, dann kann ich morgen das machen, was ich gestern nicht gemacht habe...
Benutzeravatar

Tolek
Domi-Superprofi
Beiträge: 2555
Registriert: Mo 1. Okt 2018, 00:22
Motorrad: NX650
GG EC 400
ALP 200
Kontaktdaten:

Re: Restaurations-Tagebuch des Scheunenfundes RD02 1992

Beitrag von Tolek »

Ich habe das selbst auch schon zwischen den Klemmböcken unten gemacht als 5mm Loch oder zwei kleinere .Das ist eigentlich kein Problem . Bis jetzt sogar beim Geländefahren .Wichtig ist die Löcher auch innen zu entgraten :!:
Benutzeravatar

Verfasser
sergejt
Domi-Fahrer
Beiträge: 167
Registriert: Sa 28. Okt 2023, 12:59
Wohnort: 64367 Mühltal
Motorrad: Suzuki Bandit 1200 WVA9 2001
Suzuki Bandit 1200 WVCB 2005
Husquarna TE 610 1995
Honda NX 650 RD02 1992
Kontaktdaten:

Re: Restaurations-Tagebuch des Scheunenfundes RD02 1992

Beitrag von sergejt »

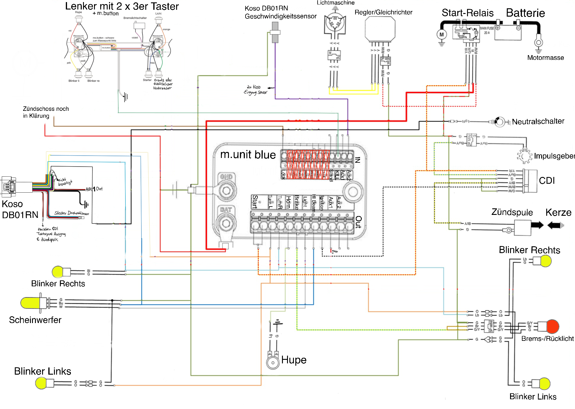
Schaltplan in Arbeit, beim Zündschloss muss ich noch entscheiden/überlegen welches und wie:
IMG_0217.png
Die Farben sind noch nicht 100%ig angepasst. Da muss ich mir noch Gedanken machen. Die vielen Masseleitungen werden nachher minimalistischer gehalten. Es wird einmal Masse von Batterie-Minus zur Motormasse gehen. Dann einmal vom Minuspol zu einem Massepunkt unter dem Tank. Und einmal von Minuspol an Heck-Rahmen Hier werden alle Masseleitungen angeschlossen.

Ich werde einen Koso DBRN01 verwenden. Wenn mann einen Tacho der Firma Motorgadget (Arschteuer wie alles von denen und leider optisch überhaupt nicht mein Geschmack mit den LED's, z.B.:https://motogadget.com/products/motoscop-pro ) verwendet, könnte man sogar über den 6. Taster das Menü im Tacho wechseln. Aber so eine Spielerei brauche ich eigentlich dann nicht noch zusätzlich.

Ich werdet wie Gian (Domi90) die Tachoschnecke eliminieren und den Koso Drehzahlaufnehmer mit Magneten verwenden. Ich werde ihn aber am Hinterrad verbauen. Gian war so nett und hat mir die Maße von seinem Tachoschnecken-Dummy (siehe Foto 5 viewtopic.php?t=3883) gesendet, ist gerade in Arbeit.
Zuletzt geändert von sergejt am Sa 27. Jan 2024, 09:25, insgesamt 1-mal geändert.
Beste Grüße
Sergej
Benutzeravatar

Verfasser
sergejt
Domi-Fahrer
Beiträge: 167
Registriert: Sa 28. Okt 2023, 12:59
Wohnort: 64367 Mühltal
Motorrad: Suzuki Bandit 1200 WVA9 2001
Suzuki Bandit 1200 WVCB 2005
Husquarna TE 610 1995
Honda NX 650 RD02 1992
Kontaktdaten:

Re: Restaurations-Tagebuch des Scheunenfundes RD02 1992

Beitrag von sergejt »

Lenker & Lenkererhöhung/Versetzung:
Habe mich doch für einen Alu Lenker mit 28,6mm entschieden. Hier sollte ich die Tasterleitungen/m.button gut reinbekommen.
Dazu werde ich eine Strebe verbauen, die muss ich noch bauen, habe nichts mit 400-410 mm Länge gefunden. Hatte mir die SLS Strebe nur wegen den Haltern gekauft.

Magura X-Line SX:
Maße (B x H x T) in mm: 808 x 120 x 63
Ø: 28,6 mm (in der Lenkermitte - konifiziert), 22 mm (an den Lenkerenden)

Voigt Lenkererhöhung und Versatz:
30 mm hoch und zum Fahrer 21 mm

Die hab ich in den folgenden Bildern natürlich direkt mal falsch rum dran gemacht :lol:
IMG_4183.jpeg
IMG_4177.jpeg
IMG_4180.jpeg
IMG_4182.jpeg
IMG_4181.jpeg
IMG_4179.jpeg
Zuletzt geändert von sergejt am Mo 5. Feb 2024, 22:04, insgesamt 2-mal geändert.
Beste Grüße
Sergej
Benutzeravatar

Andreas_NRW
Domi-Insider
Beiträge: 6137
Registriert: Sa 18. Mär 2017, 13:48
Wohnort: Stötten am Auerberg
Motorrad: CRF 250 LA "Wanderbursche"
BMW F 850 GS "Rechenzentrum"
NX650 “Lucky7ven“
Kontaktdaten:

Re: Restaurations-Tagebuch des Scheunenfundes RD02 1992

Beitrag von Andreas_NRW »

Eigentlich garnicht soooo falsch!
Teste mal die Lenkererhöhung falsch herum zu verwenden, also vom Fahrer weg.
Die Lenkerböcke der DOMI sind zum Fahrer geneigt.
Eine Erhöhung kommt sowieso schon entgegen.
Selbst das war für meinen Geschmack zu viel. Ich nenne das einen Rasenmäher-Lenkeffekt.
Hoch und nach vorne ergibt dagegen fast eine senkrechte Versetzung.
Fand ich deutlich besser!
Benutzeravatar

Andreas_NRW
Domi-Insider
Beiträge: 6137
Registriert: Sa 18. Mär 2017, 13:48
Wohnort: Stötten am Auerberg
Motorrad: CRF 250 LA "Wanderbursche"
BMW F 850 GS "Rechenzentrum"
NX650 “Lucky7ven“
Kontaktdaten:

Re: Restaurations-Tagebuch des Scheunenfundes RD02 1992

Beitrag von Andreas_NRW »

Was Du noch machen kannst, ist die Gummilagerung der Klemmböcke in der Brücke „stillegen“.
Dazu braucht es 4 Unterlegscheiben mit 19 innen, 34 aussen, ca. 3mm dick (Normteil)
Bei so erhöhten Klemmböcken entsteht wegen der Beweglichkeit zwischen
Lenker und Gabelbrücke gerne ein teigiges Lenkgefühl.
Benutzeravatar

Verfasser
sergejt
Domi-Fahrer
Beiträge: 167
Registriert: Sa 28. Okt 2023, 12:59
Wohnort: 64367 Mühltal
Motorrad: Suzuki Bandit 1200 WVA9 2001
Suzuki Bandit 1200 WVCB 2005
Husquarna TE 610 1995
Honda NX 650 RD02 1992
Kontaktdaten:

Re: Restaurations-Tagebuch des Scheunenfundes RD02 1992

Beitrag von sergejt »

Andreas_NRW hat geschrieben: Sa 27. Jan 2024, 07:39 Dazu braucht es 4 Unterlegscheiben mit 19 innen, 34 aussen, ca. 3mm dick (Normteil)
Wegen solchen Tipps bin ich hier, danke Andreas, macht Sinn!

Hast du es so ausgeführt und hast eventuell ein Bild wie es montiert aus sieht?
Beste Grüße
Sergej
Benutzeravatar

Andreas_NRW
Domi-Insider
Beiträge: 6137
Registriert: Sa 18. Mär 2017, 13:48
Wohnort: Stötten am Auerberg
Motorrad: CRF 250 LA "Wanderbursche"
BMW F 850 GS "Rechenzentrum"
NX650 “Lucky7ven“
Kontaktdaten:

Re: Restaurations-Tagebuch des Scheunenfundes RD02 1992

Beitrag von Andreas_NRW »

Ja hatte ich an meiner GeländeDOMI.
3 cm höhrer Lenker von TRW und den Rest wie beschrieben.
Macht insgesamt 6 cm mehr, ich konnte aufrecht stehen.

Die Scheiben passen genau über die einvulkanisierten Hülsen
und verklemmen so gegen die Brücke.

Ich such mal ein Bild….
Benutzeravatar

Verfasser
sergejt
Domi-Fahrer
Beiträge: 167
Registriert: Sa 28. Okt 2023, 12:59
Wohnort: 64367 Mühltal
Motorrad: Suzuki Bandit 1200 WVA9 2001
Suzuki Bandit 1200 WVCB 2005
Husquarna TE 610 1995
Honda NX 650 RD02 1992
Kontaktdaten:

Re: Restaurations-Tagebuch des Scheunenfundes RD02 1992

Beitrag von sergejt »

Andreas_NRW hat geschrieben: Sa 27. Jan 2024, 08:50 Ich such mal ein Bild….
Das wäre toll!!

Noch was kleines war im Briefkasten, Edelstahl Rohrbögen (werden an einer Seite gekürzt, danke nochmal @Bernd für den Tipp in einem anderen Thread) für eine sichere Ölstandsanzeige, :
IMG_4184.jpeg
Soll dann so aussehen ca.: http://nx650.nx250.de/albums/userpics/1 ... ot_row.jpg

Ich finde es optisch nicht super geil, Aber nach dem ich die Honda Empfehlung zum Ölstand messen mehrfach gelesen habe..... naja ist mir irgendwie zu dumm und unsicher.

Aktuell außendurchmesser 6 mm, innen 4mm . Würde es ungern dicker machen. Ich habe zwar ein WIG Gerät was auch Pulsen etc. kann, aber das dünne Blech bekomme ich niemals am engen Lenkkopf gut gemacht. Das bringe ich hier eine Schweißerei um die Ecke. Eventuell würden die es sogar Löten oder was auch immer, mal sehen. Ich experimentiere hier keinesfalls selbst, das wird nichts ohne Übung.
Beste Grüße
Sergej
Benutzeravatar

Tolek
Domi-Superprofi
Beiträge: 2555
Registriert: Mo 1. Okt 2018, 00:22
Motorrad: NX650
GG EC 400
ALP 200
Kontaktdaten:

Re: Restaurations-Tagebuch des Scheunenfundes RD02 1992

Beitrag von Tolek »

sergejt hat geschrieben: Sa 20. Jan 2024, 22:32
Die Farben sind noch nicht 100%ig angepasst. Da muss ich mir noch Gedanken machen. Die vielen Masseleitungen werden nachher minimalistischer gehalten. Es wird einmal Masse von Batterie-Minus zur Motormasse gehen. Dann einmal vom Minuspol zu einem Massepunkt unter dem Tank. Und einmal von Minuspol an Heck-Rahmen Hier werden alle Masseleitungen angeschlossen.

Ich werdet wie Gian (Domi90) die Tachoschnecke eliminieren und den Koso Drehzahlaufnehmer mit Magneten verwenden. Ich werde ihn aber am Hinterrad verbauen. Gian war so nett und hat mir die Maße von seinem Tachoschnecken-Dummy (siehe Foto 5 viewtopic.php?t=3883) gesendet, ist gerade in Arbeit.
-Würde vorsichtshalber ,gerade bei sonem System ne extra Masse an die Gabelbrücke legen ,falls du dort auch Masse abgreifen willst.Sonst geht der Kontakt nur über die Lenkkopflager.
-Tachoabgriff am Hinterrad hab ich auch an meinen "echten" Geländemoppeds .Das relativiert den Verbrauch und die Wartungsintervalle.Das Geberkabel ist auch nicht so gefährdet durch scheuern wie an der Gabel .
Benutzeravatar

Verfasser
sergejt
Domi-Fahrer
Beiträge: 167
Registriert: Sa 28. Okt 2023, 12:59
Wohnort: 64367 Mühltal
Motorrad: Suzuki Bandit 1200 WVA9 2001
Suzuki Bandit 1200 WVCB 2005
Husquarna TE 610 1995
Honda NX 650 RD02 1992
Kontaktdaten:

Re: Restaurations-Tagebuch des Scheunenfundes RD02 1992

Beitrag von sergejt »

Tolek hat geschrieben: Sa 27. Jan 2024, 09:49
-Würde vorsichtshalber ,gerade bei sonem System ne extra Masse an die Gabelbrücke legen ,falls du dort auch Masse abgreifen willst.
Servus Tolek, genauso habe ich es vor. Es wird von der Batterie jeweils ein Massepunkt nach vorne unter den Tank, sowie an den Heckrahmen gezogen. 👍🏻
Beste Grüße
Sergej
Benutzeravatar

langer
Domi-Superprofi
Beiträge: 4881
Registriert: Sa 25. Mär 2017, 18:38
Wohnort: bei Bad Homburg / Taunus
Motorrad: RD08 EZ01.95 Jap. Zwittermodell
Kontaktdaten:

Re: Restaurations-Tagebuch des Scheunenfundes RD02 1992

Beitrag von langer »

sergejt hat geschrieben: Sa 27. Jan 2024, 09:10 ...Eventuell würden die es sogar Löten...
Gerade dort auf jeden Fall Löten (Hartlöten), denn das bekommt man bei diesem kleinen Durchmesser "um die" Tüllen nur arg unschön geschweisst hin.
Da wird die Naht mächtiger als die kleinen Tüllen...
Hartgelötet ist das, da nur "in" der Bohrung zu benetzen, Nahtmässig fast unsichtbar clean zu machen.

Da ich meinen Rahmen überhaupt nicht thermisch traktieren wollte
(der Optik und der Lackierung wegen, aber hauptsächlich wegen des Tüv, die könnten theoretisch schon alleine wegen der Gefügeveränderung rumheulen...),
habe ich meine Tüllen (Bohrung muss ja sowieso, also mit Innengewinde im Rahmen) geschraubt.
Vorteil war da auch; Stellung des Abgang/Schlauch nach unten (da Tülle 90°) nicht festgenagelt, sondern "wählbar" und reversibel (Stopfen als "Nurgewinde").
Grüsse langer 8-)
"Kunst muss es sein, wenn man‘s nicht kann... denn wenn man‘s kann, ist‘s keine Kunst"
Der Niedergang deutscher Ingenieurskunst begann mit dem DIN Stecker, ungeeigneten Materialien und beschleunigt mit VW...
Benutzeravatar

Barniebutsch
Domi-Profi
Beiträge: 709
Registriert: Mo 1. Jul 2019, 22:17
Wohnort: Stollberg/Erzgebirge
Motorrad: Honda NX 650 RD02 Original 1994
Honda NX 650 RD08 Sumo 1995
Honda XR 600R 1993
Kontaktdaten:

Re: Restaurations-Tagebuch des Scheunenfundes RD02 1992

Beitrag von Barniebutsch »

Die Rohrbögen am Rahmen hartlöten (lassen) macht bedeutend mehr Sinn als der Versuch, die Dinger selbst mit WIG zu verschweißen. Je nachdem wie weit die gekürzt werden, kommt die Elektrode einfach nicht mehr nahe genug ran. Und auch die verschiedenen Wandstärken (von Rahmenblech und Rohrbogen) bergen ziemliches Problempotential.
Da ist eine lang gestellte Flamme beim Hartlöten einfach flexibler und sicherer.

Habe das gerade selbst wieder erfahren müssen. Baue mir nämlich gerade ein Kleinteilereinigerbad für Kaltreiniger selbst, nachdem ich die Preise für fertige Produkte abgelehnt und auch nichts richtiges für meine Anforderungen fertig gefunden habe.
Zur Übung bzw. Wiederauffrischung meiner Schweißfertigkeiten habe ich erstmal den Kasten aus Einzelblechen (750x600x300) mit WIG zusammengeschweißt, damit der auch im ersten Versuch dicht wird. In die Ecken habe ich jeweils Ablauflöcher gebohrt und dort diese Edelstahl-Rohrbögen in 12 mm Außendurchmesser für den Ablaufschlauch angeschweißt. Was ein Rotz, ist jetzt aber alles dran. Früher habe ich solche Rundungen mal freihändig in zwei Zügen hinbekommen, über den gestrigen Ablauf schweige ich lieber. Für das Flüche-Kontingent mußte ich einen Kredit aufnehmen .....
Am Rahmen hätte ich das nicht machen wollen.
Gruß aus dem Erzgebirge

Bernd
Benutzeravatar

Verfasser
sergejt
Domi-Fahrer
Beiträge: 167
Registriert: Sa 28. Okt 2023, 12:59
Wohnort: 64367 Mühltal
Motorrad: Suzuki Bandit 1200 WVA9 2001
Suzuki Bandit 1200 WVCB 2005
Husquarna TE 610 1995
Honda NX 650 RD02 1992
Kontaktdaten:

Re: Restaurations-Tagebuch des Scheunenfundes RD02 1992

Beitrag von sergejt »

Servus Bernd,

ja für mich war sofort klar, dass ich besser die Finger von lasse.
Beste Grüße
Sergej
Benutzeravatar

Verfasser
sergejt
Domi-Fahrer
Beiträge: 167
Registriert: Sa 28. Okt 2023, 12:59
Wohnort: 64367 Mühltal
Motorrad: Suzuki Bandit 1200 WVA9 2001
Suzuki Bandit 1200 WVCB 2005
Husquarna TE 610 1995
Honda NX 650 RD02 1992
Kontaktdaten:

Re: Restaurations-Tagebuch des Scheunenfundes RD02 1992

Beitrag von sergejt »

Andreas_NRW hat geschrieben: Sa 27. Jan 2024, 07:39 Was Du noch machen kannst, ist die Gummilagerung der Klemmböcke in der Brücke „stillegen“.
Dazu braucht es 4 Unterlegscheiben mit 19 innen, 34 aussen, ca. 3mm dick (Normteil)
Bei so erhöhten Klemmböcken entsteht wegen der Beweglichkeit zwischen Lenker und Gabelbrücke gerne ein teigiges Lenkgefühl.



Servus Steffen,

das Thema hat mich dann doch nicht mehr losgelassen und ich habe mir die original Brücke bzw. Bilder davon näher angeschaut:


373300F8-BF83-46C7-9716-EF9A12781BB7.jpeg




Die Lösung mit den Unterlegscheiben ist zwar nett, sieht aber dann mit den zusätzlichen Erhöhung/Adapter sicher gebastelt aus. Mir ist dann auch erst aufgefallen wie stark angewinkelt die Aufnahme ist. Ich habe glücklicherweise rausgefunden, dass man genauso gut die obere Brücke einer XL600R ab Bj. 86 verwenden kann. Zünschloss hängt an der gleichen Position, Gabeldurchmesser 41 mm passt auch. Sogar noch vorne zwei Fixierpunkte für den neuen Tacho oder Bowdenzugdurchgänge?!... Perfekt... Neben der erwünschten Steifigkeit sieht das dann auch gleich um einiges ästhetischer aus. Habe mir dieses Stück ergattert:




CA0756F2-F5C5-449B-98D8-585F3F840F6B.jpeg
7183393E-6701-49EA-9D6D-5EDAA94CC7C0.jpeg
ADAE1C1A-B557-40DC-8DF7-B6464F12622E.jpeg
94E999A7-80A3-4D80-8A6F-FE75D4A47CF5.jpeg
IMG_4384.jpeg

Hier brauch ich auch keine Gummipuffer entfernen für die Pulverbeschichtung. Ich denke die Lenkererhöhung/Adapter wird auch passen… wenn nicht dann eben nicht.
Zuletzt geändert von sergejt am Do 8. Feb 2024, 11:24, insgesamt 1-mal geändert.
Beste Grüße
Sergej
Benutzeravatar

langer
Domi-Superprofi
Beiträge: 4881
Registriert: Sa 25. Mär 2017, 18:38
Wohnort: bei Bad Homburg / Taunus
Motorrad: RD08 EZ01.95 Jap. Zwittermodell
Kontaktdaten:

Re: Restaurations-Tagebuch des Scheunenfundes RD02 1992

Beitrag von langer »

Interessant, wie Honda Familienteile an die Domi passen.
Du hast ohne Dämpfer natürlich mehr Vibras in den Händen. Das kann auf längeren Strecken (mir ein paar mal aufgefallen) schon störend werden.
Grüsse langer 8-)
"Kunst muss es sein, wenn man‘s nicht kann... denn wenn man‘s kann, ist‘s keine Kunst"
Der Niedergang deutscher Ingenieurskunst begann mit dem DIN Stecker, ungeeigneten Materialien und beschleunigt mit VW...
Benutzeravatar

Tolek
Domi-Superprofi
Beiträge: 2555
Registriert: Mo 1. Okt 2018, 00:22
Motorrad: NX650
GG EC 400
ALP 200
Kontaktdaten:

Re: Restaurations-Tagebuch des Scheunenfundes RD02 1992

Beitrag von Tolek »

Hatte die Gummis auch rausgepedelt .Merkte fast keinen Unterschied ,ausser daß es direkter ist vom lenken .Bin aber als ex LC4 Fahrer einiges gewöhnt und brauche Vibs . :P Die Brücke habsch noch , falls was bei dir nicht passt .
Benutzeravatar

Andreas_NRW
Domi-Insider
Beiträge: 6137
Registriert: Sa 18. Mär 2017, 13:48
Wohnort: Stötten am Auerberg
Motorrad: CRF 250 LA "Wanderbursche"
BMW F 850 GS "Rechenzentrum"
NX650 “Lucky7ven“
Kontaktdaten:

Re: Restaurations-Tagebuch des Scheunenfundes RD02 1992

Beitrag von Andreas_NRW »

Ja👍 die XL Brücke ist die elegante Alternative
Benutzeravatar

Verfasser
sergejt
Domi-Fahrer
Beiträge: 167
Registriert: Sa 28. Okt 2023, 12:59
Wohnort: 64367 Mühltal
Motorrad: Suzuki Bandit 1200 WVA9 2001
Suzuki Bandit 1200 WVCB 2005
Husquarna TE 610 1995
Honda NX 650 RD02 1992
Kontaktdaten:

Re: Restaurations-Tagebuch des Scheunenfundes RD02 1992

Beitrag von sergejt »

Hello,

es sind mal wieder Teile angekommen. Ich hatte es nicht vor, aber die Restauration wird so langsam ein Umbau. Ich habe mittlerweile eine ganz konkrete Vorstellung der Domi. Dazu gehört das "leider" auch die Orignial Verkleidung, Tank, Sitzbank nicht wieder ran kommt.


Scheinwerfer Acerbis Elba:
(das Licht hat kein E-Zeichen, da muss was anderes rein)

IMG_4363.jpeg
IMG_4365.jpeg


Front/Heck Kotflügel Acerbis MX Nost:
(Den Frontkotflügel habe ich in der Werkstatt, daher leider nur ein Bild mit Kinderfüßen als mein Sohn damit gespielt hat...). Auf den Heckflügel kommt ein schönes Rück/Bremslicht und ein Kennzeichenhalter wird die Kennzeichenbeleuchtung integrieren.)

IMG_4362.jpeg
IMG_4361.jpeg
81ffbb46-937c-4372-97fe-d92d6224007c.jpeg

Federbeinschmutzschutz Acerbis:
IMG_4368.jpeg

Tank Honda XL600R PD03:
(eine passende Sitzbank brauche ich noch, hoffe mein neuer Bezug kann angepasst/genutzt werden vom Sattler)
IMG_4340.jpeg
IMG_4338.jpeg

Außerdem war ich heute mit meinem Rahmen beim TÜV, ich darf folgende Halter entfernen und sie somit als Einsitzer ohne Kettenschutz eintragen:

Linke Seite diverse Halterungen mit Kommentar.png
Linke Seite diverse Halterungen mit Kommentar.png (2.14 MiB) 5212 mal betrachtet
Bei der hinteren ESD Aufnahme war der TÜV nicht super begeistert, aber sollte gehen wenn ich noch etwas überstand dran lass.
Rechte Seite Soziushalterung mit Kommentar.png
Rechte Seite Soziushalterung mit Kommentar.png (2.34 MiB) 5212 mal betrachtet
Beste Grüße
Sergej
Benutzeravatar

Verfasser
sergejt
Domi-Fahrer
Beiträge: 167
Registriert: Sa 28. Okt 2023, 12:59
Wohnort: 64367 Mühltal
Motorrad: Suzuki Bandit 1200 WVA9 2001
Suzuki Bandit 1200 WVCB 2005
Husquarna TE 610 1995
Honda NX 650 RD02 1992
Kontaktdaten:

Re: Restaurations-Tagebuch des Scheunenfundes RD02 1992

Beitrag von sergejt »

Ergänzung zum Tank.

Im direkten Vergleich sieht der PD03 Rahmen der RD02 ähnlich: : sollte mit überschaubaren Aufwand passen:

IMG_4336.jpeg
IMG_4336.jpeg (268.51 KiB) 5212 mal betrachtet
IMG_4337.png
IMG_4337.png (3.64 MiB) 5212 mal betrachtet
Beste Grüße
Sergej
Benutzeravatar

Tolek
Domi-Superprofi
Beiträge: 2555
Registriert: Mo 1. Okt 2018, 00:22
Motorrad: NX650
GG EC 400
ALP 200
Kontaktdaten:

Re: Restaurations-Tagebuch des Scheunenfundes RD02 1992

Beitrag von Tolek »

Den Elba find ich auch schön ,weil nicht nur klassisch ,sondern auch absolut unaggresiv .Hatte ich an meiner Alp 200 .Da isser aber bisje zu groß. Dein Umbau wird gut ,vor allem mit dem XL Tank.
Benutzeravatar

Verfasser
sergejt
Domi-Fahrer
Beiträge: 167
Registriert: Sa 28. Okt 2023, 12:59
Wohnort: 64367 Mühltal
Motorrad: Suzuki Bandit 1200 WVA9 2001
Suzuki Bandit 1200 WVCB 2005
Husquarna TE 610 1995
Honda NX 650 RD02 1992
Kontaktdaten:

Re: Restaurations-Tagebuch des Scheunenfundes RD02 1992

Beitrag von sergejt »

Die neuen Bremsscheiben sind angekommen:

IMG_4380.jpeg
IMG_4377.jpeg
IMG_4379.jpeg
IMG_4378.jpeg
Meine Felgen und Naben gehen zu Menze Fahrzeugteile zum Veredeln und neu einspeichen. Da werden die Bremsscheiben perfekt zu passen.
Beste Grüße
Sergej
Benutzeravatar

jakobjogger
Domi-Superprofi
Beiträge: 3097
Registriert: Mo 27. Mär 2017, 06:34
Wohnort: Soest
Motorrad: Triumph Speedtriple 1200 rr
Ural EFI Sportsman
BMW R 1250 GSA
Honda NX 650 Blaue Mauritius
Rieju 307 Aventura
Kontaktdaten:

Re: Restaurations-Tagebuch des Scheunenfundes RD02 1992

Beitrag von jakobjogger »

Ich bin gespannt.
Benutzeravatar

langer
Domi-Superprofi
Beiträge: 4881
Registriert: Sa 25. Mär 2017, 18:38
Wohnort: bei Bad Homburg / Taunus
Motorrad: RD08 EZ01.95 Jap. Zwittermodell
Kontaktdaten:

Re: Restaurations-Tagebuch des Scheunenfundes RD02 1992

Beitrag von langer »

sergejt hat geschrieben: Do 8. Feb 2024, 11:22 Die neuen Bremsscheiben sind angekommen:

...
Deren Optik wäre, für eine Domi, jetzt nicht so meins.

Und über die physikalischen "Seiten" solcher Scheiben (unfortunately, function does not always go before design today), lässt sich streiten.
Grüsse langer 8-)
"Kunst muss es sein, wenn man‘s nicht kann... denn wenn man‘s kann, ist‘s keine Kunst"
Der Niedergang deutscher Ingenieurskunst begann mit dem DIN Stecker, ungeeigneten Materialien und beschleunigt mit VW...
Antworten