Mitmachen und bestellen! Domiforum Wandkalender 2026

Batterie oder Lima defekt

NX 500 / NX 650 / SLR 650 / FMX 650

Moderator: Domitreffen


Verfasser
Tobi-Domi

Batterie oder Lima defekt

Beitrag von Tobi-Domi »

Frohe Ostern liebe Domi Fahrer!

Leider streikt meine Domi nach der ersten Ausfahrt dieses Jahr.
Sie ist gut angelaufen, nach ca. 30km ist die Drehzahl kurz angefallen als ich Lichthupe gegeben habe.
Dann ist sie nach dem abstellen nicht mehr angesprungen, Batterie leer. Daheim habe ich die Batterie geladen und vorhin mal an der Batterie gemessen als sie an war. Beim Gas geben steigt die Spannung nicht an.
Die Batterie ist nicht die beste, bestimmt drei Jahre alt.
Ich werde diese mal tauschen.
Kommt der Fehler bekannt vor? Ich hoffe es ist nicht der Stator oder die Lima. Die Domi hat auch erst 17tkm auf der Uhr, kann mir nicht vorstellen dass dann die Lima schon kaputt ist :(
Mfg und einen schönen Ostermontag allen!
Gruß Tobi
Benutzeravatar

langer
Domi-Superprofi
Beiträge: 4790
Registriert: Sa 25. Mär 2017, 18:38
Wohnort: bei Bad Homburg / Taunus
Motorrad: RD08 EZ01.95 Jap. Zwittermodell
Kontaktdaten:

Re: Batterie oder Lima defekt

Beitrag von langer »

Tobi-Domi hat geschrieben: Mo 22. Apr 2019, 11:08 ...nach ca. 30km ist die Drehzahl kurz angefallen als ich Lichthupe gegeben habe...
...Dann ist sie nach dem abstellen nicht mehr angesprungen, Batterie leer...
...Beim Gas geben steigt die Spannung nicht an...
Das zusammen zeigt ziemlich deutlich das sie höchstwahrscheinlich "bloss" nicht mehr Onboard geladen wird.
Beim letzten Punkt wären Wertangaben der Spannungen, ohne Motor an, im Leerlauf, mit erhöhtem Leerlauf, mit Fahrlicht, ohne Licht (statt nur "steigt nicht an") gut gewesen,
dann könnte eher eine Aussage, ob die Batterie überhaupt als Fehlerquelle in Frage käme getroffen werden.

Ein Schaden an der Statorwicklung ist (anders als bei z.B. den XR) an der Domi prinzipbedingt äusserst unwahrscheinlich.
Lima und Regler - Verdrahtung/Steckverbindungen prüfen, Regler selbst prüfen.
Grüsse langer 8-)
"Kunst muss es sein, wenn man‘s nicht kann... denn wenn man‘s kann, ist‘s keine Kunst"
Der Niedergang deutscher Ingenieurskunst begann mit dem DIN Stecker, ungeeigneten Materialien und beschleunigt mit VW...

Verfasser
Tobi-Domi

Re: Batterie oder Lima defekt

Beitrag von Tobi-Domi »

Danke Langer,

steht bestimmt hier im Forum wie und wo man messen muss, reicht es an der Batterie zu messen oder muss man vor dem Regler Messen um etwas über die Lima sagen zu können? Wo sitzt denn der Regler/Cdi genau, den hab ich jetzt noch nicht lokalisiert...
die Batterie mess ich auf jeden Fall mal vor und nach dem Start, bei lehrlauf und lehrlauf mit hoher Drehzahl.
Leider bin ich in Sachen Elektrik nicht so fit wenn ich die Kabel nicht vor mir liegen hab und einen genauen Plan dazu, da muss ich mich reinarbeiten.
Benutzeravatar

langer
Domi-Superprofi
Beiträge: 4790
Registriert: Sa 25. Mär 2017, 18:38
Wohnort: bei Bad Homburg / Taunus
Motorrad: RD08 EZ01.95 Jap. Zwittermodell
Kontaktdaten:

Re: Batterie oder Lima defekt

Beitrag von langer »

Sämtliche hierfür relevanten Spannungen kannst du im eingebauten und angeschlossenen Zustand, direkt an den Batteriepolen messen.

Ob deine Batterie in einer bestimmten Weise (z.B. eine Zelle intern durch Sulfatschlamm "gebrückt") nicht mehr in Ordnung ist
würde die Leerlaufspannung, ca 10 Minuten "nach" einer normalen (keine schnell)Ladung,
(die Batterie alleine, ohne laufenden Motor und ohne jegliche eingeschalteten Verbraucher) aussagen.

Also; Leerlaufspannung messen.
Spannung bei laufendem Motor, im Leerlauf, bei erhöhtem Leerlauf (so ca. 1800-2000 upm),
beides mit und ohne Last (Fahrlicht an, nichts an) messen und Werte mitteilen.
Anhand dieser Werte richten sich die evtl. nötigen weiteren Massnahmen.
Grüsse langer 8-)
"Kunst muss es sein, wenn man‘s nicht kann... denn wenn man‘s kann, ist‘s keine Kunst"
Der Niedergang deutscher Ingenieurskunst begann mit dem DIN Stecker, ungeeigneten Materialien und beschleunigt mit VW...

Verfasser
Tobi-Domi

Re: Batterie oder Lima defekt

Beitrag von Tobi-Domi »

Okay dann! mach das heute Abend mal.
Du schreibst "nach" einer normalen Ladung, wie lange muss ich die Batterie denn laden bevor ich die Messung überhaput durchführen kann?
Hab sie vorgestern über Nacht geladen und sie bisher zwei mal zum Messsen der Batterie angeschmissen.
(Im Handbuch steht bei Prüfung auf geregelte Spannung 16-4: "Die Spannung soll bei 5000 U/min zwischen 1 3 , 5— 1 5 , 5 V gehalten
werden"....kommt mir irgendwie arg hoch vor die Drehzahl.)
Benutzeravatar

ujr56
Domi-Profi
Beiträge: 864
Registriert: So 26. Mär 2017, 06:53
Wohnort: Berlin (Bundeswichtelhauptstadt)
Motorrad: CB SevenFifty, CL 500
Kontaktdaten:

Re: Batterie oder Lima defekt

Beitrag von ujr56 »

Vor allen Dingen sollte man das nicht mit einem kalten Motor machen.
Die Lima gibt erst über 2.500 upm Ladung an die Batterie ab, vorher wird alles von der Zündung geschluckt,
d.h. wenn bei 3.500 bis 4.000 upm um die 14,5-15,3 V ankommen dürfte die Lima i.O. sein.

Bei überwiegenden Kurzstrecken, vielen Ampelstopps und langen Trudelfahrten um die 2.500 upm
wird die Batterie irgendwann in die Knie gehen.

Gruß aus der BWH
Uwe
"Toleranz sollte eigentlich nur eine vorübergehende Gesinnung sein: Sie muß zur Anerkennung führen. Dulden heißt beleidigen."
J.W.v.Goethe
Benutzeravatar

Nicola
Domi-Spezialist
Beiträge: 326
Registriert: So 26. Mär 2017, 09:35
Wohnort: Malcesine -Italien
Motorrad: RD02, Bj.93, 55.000km
Umbau zum Supermoto
Honda NTV 650
Kymco Movie 125
Ape 50
www.casarosalia.de
Kontaktdaten:

Re: Batterie oder Lima defekt

Beitrag von Nicola »

Bei meiner liefert die Lima schon bei Standgas genug Strom für Abblendlicht. Hab mich da selber schon gewundert.
Die Bordspannung steigt auf über 13 Volt (bei Standgas mit Licht) an.

Liebe Grüße vom See
Nicola
Berge und Asphalt - brauchst Du - findest Du am Gardasee :D
http://www.casarosalia.de
Benutzeravatar

ujr56
Domi-Profi
Beiträge: 864
Registriert: So 26. Mär 2017, 06:53
Wohnort: Berlin (Bundeswichtelhauptstadt)
Motorrad: CB SevenFifty, CL 500
Kontaktdaten:

Re: Batterie oder Lima defekt

Beitrag von ujr56 »

@Nicola :

Das ist richtig, reicht allerdings nicht um neben Zünd- und Lichtstrom auch noch Ladestrom an die Batterie abzugeben.
Die gibt eher noch Ladung dazu.
Ab ca. 2.500 upm wird genügend erzeugt um alle Verbraucher zu versorgen und Ladestrom in die Batterie abzugeben !
"Toleranz sollte eigentlich nur eine vorübergehende Gesinnung sein: Sie muß zur Anerkennung führen. Dulden heißt beleidigen."
J.W.v.Goethe
Benutzeravatar

langer
Domi-Superprofi
Beiträge: 4790
Registriert: Sa 25. Mär 2017, 18:38
Wohnort: bei Bad Homburg / Taunus
Motorrad: RD08 EZ01.95 Jap. Zwittermodell
Kontaktdaten:

Re: Batterie oder Lima defekt

Beitrag von langer »

1200 upm reichen auch bei "voller" Last die die Domi mit Fahr oder Fernlicht und allem restlichen (abgesehen von vielleicht zusätzlicher Griffheizung) an Verbrauchern "zu bieten" hat
für eine ausreichend hohe Wechselspannung als Vorspannung am AC Eingang des Regler (welche nötig ist um die ca. 0.7 V Verlust des Längstransistor zu "übertrumpfen) aus,
damit die geregelte Sollspannung erreicht wird. Genau genommen reichen dafür, wie in meinem Fall oft genug gemessen, sogar 1000 upm locker aus.

Das liegt am sehr geringen Innenwiderstand der Statorwicklungen.
Ein echtes Highlight bei der Domi Lima (nur sehr geringer Spannungsabfall der Wechselspannung bei fallender Drehzahl), ganz im Gegensatz zu so manch anderen Moped Limas.
Die Angabe 1800-2000 upm nur um sicher zu gehen, da eine konstante Test Drehzahl (bei z.B. einer Angabe von 1200 upm) nicht immer gut manuell zu halten ist.

Mehr als die Regler Sollspannung "gibt es nicht" (genau das soll der Regler auch machen) und es besteht somit auch für den Lade"strom" der Batterie
(dieser ist nunmal ausschliesslich von der Höhe dieser geregelten Gleichspannung abhängig) keinen Unterschied, ob der Motor mit 1100 und mit maximaler Drehzahl dreht.
Grüsse langer 8-)
"Kunst muss es sein, wenn man‘s nicht kann... denn wenn man‘s kann, ist‘s keine Kunst"
Der Niedergang deutscher Ingenieurskunst begann mit dem DIN Stecker, ungeeigneten Materialien und beschleunigt mit VW...

Tolek
Domi-Superprofi
Beiträge: 2488
Registriert: Mo 1. Okt 2018, 00:22
Kontaktdaten:

Re: Batterie oder Lima defekt

Beitrag von Tolek »

Langer , kannst du vielleicht eine ungefähre Leistungskurve der Lima zeigen , kann mir das nicht vorstellen daß 1000 U/min schon reichen .Was ist an der lima konstruktiv anders ,als an anderen schlechteren ?
Benutzeravatar

langer
Domi-Superprofi
Beiträge: 4790
Registriert: Sa 25. Mär 2017, 18:38
Wohnort: bei Bad Homburg / Taunus
Motorrad: RD08 EZ01.95 Jap. Zwittermodell
Kontaktdaten:

Re: Batterie oder Lima defekt

Beitrag von langer »

Das alles im Detail würde hier jeglichen Rahmen sprengen.
Tolek hat geschrieben: Di 23. Apr 2019, 22:14 ...kann mir das nicht vorstellen daß 1000 U/min schon reichen...
Es ist (vereinfacht) eine Frage der Auslegung ab welcher Drehzahl ein Generator seine Sollspannung erzeugt.
Tausende Beispiele an Generatoren die so berechnet und ausgelegt sind das sie schon bei sehr niedrigen Drehzahlen ihre Sollwerte erreichen
wären bestimmte Arten für z.B. Wasserkraftwerke als Fluss oder Gefällekraftwerke (langsam laufenden Turbinen mit grossen Durchmessern,
da niedrige Gefälledifferenz dafür grosse Durchsatzmengen erfordern) oder Generatoren die per Dampfmaschinen angetrieben werden.
Dort spielen sich die Solldrehzahlen für die berechneten Sollspannungen zum Teil sogar deutlich unter 100 upm ab.

Man hätte dies, um beim Beispiel der Domi zu bleiben auch schon bei 500 oder 300 oder 100 upm... beliebig... erreichen können.
Es wäre nur eine Frage des magnetischen Fluss, Joch, Luftspalte, Polzahl und des Übersetzungverhältnis der Windungszahl(en) der Wicklungen gewesen.
Nur wäre es hier unsinnig den Generator so auszulegen, da der Domimotor "im Normalfall" nicht oder nicht wesentlich unter 1100 upm betrieben wird.

Das die Wicklungen der Domi Lima so "robust" sind liegt daran das ihre Windungszahlen jeweils (pro Polpaar) klein, der Querschnitt (des Draht) Gross
und somit der Gesamt Innenwiderstand sehr niedrig ist. Das hält die Differenz der Spannung der Wicklung zwischen niedrigen und hohen Drehzahlen klein.
Das unterscheidet sie zu vielen anderen Moped Lima Konzepten, die (insbesondere wenn Einphasig) wesentlich hochohmiger gewickelt sind.
Dieses Konzept schlägt sich auch günstig für die Art der Spannungsregelung (Linear, Längstransistor) nieder,
da die (notwendig erhöhte) Vorspannung für den Längstransistor (und somit dessen Verlustleitung) auch bei höheren Drehzahlen
nur geringfügig höher als die "nötige" Vorspannung verbleibt.
Grüsse langer 8-)
"Kunst muss es sein, wenn man‘s nicht kann... denn wenn man‘s kann, ist‘s keine Kunst"
Der Niedergang deutscher Ingenieurskunst begann mit dem DIN Stecker, ungeeigneten Materialien und beschleunigt mit VW...

Verfasser
Tobi-Domi

Re: Batterie oder Lima defekt

Beitrag von Tobi-Domi »

Ui, soviel Input auf einmal :)
Lange(r) Rede kurzer Sinn:
Bei welcher Drehzahl sollte man die Spannung nun messen?
Ich habe herausgelsen: "Die Angabe 1800-2000 upm nur um sicher zu gehen, da eine konstante Test Drehzahl (bei z.B. einer Angabe von 1200 upm) nicht immer gut manuell zu halten ist."
So werde ich vorgehen: (Messung an direkt an der Batterie, Verbraucher = Abblendlicht)

1. Motor aus -> Spannung:

2.1: Motor an, Leerlaufdrehzahl ohne Gas ohne Verbraucher -> Spannung:
2.2: Motor an, Leerlaufdrehzahl ohne Gas mit Verbraucher -> Spannung:

3.1: Motor an, Leerlaufdrehzahl 1800-2000 upm ohne Verbraucher -> Spannung:
3.2: Motor an, Leerlaufdrehzahl 1800-2000 upm mit Verbraucher -> Spannung:
Benutzeravatar

langer
Domi-Superprofi
Beiträge: 4790
Registriert: Sa 25. Mär 2017, 18:38
Wohnort: bei Bad Homburg / Taunus
Motorrad: RD08 EZ01.95 Jap. Zwittermodell
Kontaktdaten:

Re: Batterie oder Lima defekt

Beitrag von langer »

Korrekt. :)
Grüsse langer 8-)
"Kunst muss es sein, wenn man‘s nicht kann... denn wenn man‘s kann, ist‘s keine Kunst"
Der Niedergang deutscher Ingenieurskunst begann mit dem DIN Stecker, ungeeigneten Materialien und beschleunigt mit VW...
Benutzeravatar

langer
Domi-Superprofi
Beiträge: 4790
Registriert: Sa 25. Mär 2017, 18:38
Wohnort: bei Bad Homburg / Taunus
Motorrad: RD08 EZ01.95 Jap. Zwittermodell
Kontaktdaten:

Re: Batterie oder Lima defekt

Beitrag von langer »

Tobi-Domi hat geschrieben: Mi 24. Apr 2019, 09:14 ...1. Motor aus -> Spannung:..
PS. 1. Motor aus -> (und kein Verbraucher an = Leerlaufspannung).
Grüsse langer 8-)
"Kunst muss es sein, wenn man‘s nicht kann... denn wenn man‘s kann, ist‘s keine Kunst"
Der Niedergang deutscher Ingenieurskunst begann mit dem DIN Stecker, ungeeigneten Materialien und beschleunigt mit VW...

Verfasser
Tobi-Domi

Re: Batterie oder Lima defekt

Beitrag von Tobi-Domi »

Moinmoin! Habe gestern mal nur die Spannung der Batterie gemessen, liegt bei 14,4V.
Ich werde trotzdem den Versuch mit einer neuen Batterie durchführen --> Sollte man diese laden vor dem Einbau?
Oder reicht es wenn deren Spannung um die 13,8 - 14,5V liegt?
Benutzeravatar

langer
Domi-Superprofi
Beiträge: 4790
Registriert: Sa 25. Mär 2017, 18:38
Wohnort: bei Bad Homburg / Taunus
Motorrad: RD08 EZ01.95 Jap. Zwittermodell
Kontaktdaten:

Re: Batterie oder Lima defekt

Beitrag von langer »

14.4 V (wenn nicht unmittelbar nach der Ladung gemessen, min 10 Minuten Pause) bedeutet es ist kein Zellenschluss vorhanden.
Eine neue Batterie (auch da die länger gelagert wurde) immer erst laden.
Allerdings wäre eine neue, wenn die alte noch ok ist unsinnig, wenn dein Problem evtl. auf eine fehlende Ladung an Bord hinausläuft.
Da würde ich zuerst die Spannungen bei laufendem Motor messen.
Grüsse langer 8-)
"Kunst muss es sein, wenn man‘s nicht kann... denn wenn man‘s kann, ist‘s keine Kunst"
Der Niedergang deutscher Ingenieurskunst begann mit dem DIN Stecker, ungeeigneten Materialien und beschleunigt mit VW...

Verfasser
Tobi-Domi

Re: Batterie oder Lima defekt

Beitrag von Tobi-Domi »

Sodale,
gestern mit neuer Batterie (noch nicht komplett geladen) gemessen:

1. Motor aus -> Spannung: 12,8V
1.1 Motor aus, Zündung an: 12,7V
1.2 Motor aus, Zündung an, Licht an: 12,3V

2.1: Motor an, Leerlaufdrehzahl (1300upm) ohne Verbraucher -> Spannung: 13,5V
2.2: Motor an, Leerlaufdrehzahl (1300upm) mit Verbraucher -> Spannung: 14V

3.1: Motor an, Drehzahl 2500-3000 upm ohne Verbraucher -> Spannung: 13V
3.2: Motor an, Drehzahl 2500-3000 upm mit Verbraucher -> Spannung: 12,5V

Ergo: Spannung fällt bei höherer Drehzahl --> kommt kein Ladestrom vom Regler?!
Werde heute nochmal mit komplett geladener Batterie messen.
Habe auch bemerkt dass der große Rote Stecker der zum Magnetschalter des Anlasseres (pos.9 im Bild) geht leicht angeschmort ist. (da wo die 20A Sicherung sitzt)
Ebenso ist die Abdeckung Pos.4 des Kabels leicht "angefressen".
Kontakte der beiden Stecker Reglers sehen gut aus.
Dateianhänge
BATTERIE-Honda-MOTO-650-NX-1993-NX650P-F__2700.jpg
BATTERIE-Honda-MOTO-650-NX-1993-NX650P-F__2700.jpg (61.78 KiB) 5374 mal betrachtet
Benutzeravatar

langer
Domi-Superprofi
Beiträge: 4790
Registriert: Sa 25. Mär 2017, 18:38
Wohnort: bei Bad Homburg / Taunus
Motorrad: RD08 EZ01.95 Jap. Zwittermodell
Kontaktdaten:

Re: Batterie oder Lima defekt

Beitrag von langer »

Batterie alleine wäre normal (alle 3 Messungen), die geregelten Spannungen bei Motorlauf sind alle (auch die bei 1300) deutlich zu niedrig.
Überprüfe alle Verbindungen des Regler. Die 3 Phasen (3 pol Steckverbinder) und den DC Ausgang (2 pol Steckverbinder)
und die von dir entdeckten maroden Anschlüsse am Anlasserrelais.
Auch wenn dir das jetzt augenscheinlich vielleicht nicht mit der geregelten Spannung zu tun hat, es kann damit zu tun haben,
da der Regler im lastlosen Zustand "genau so" spinnen würde (die Ausgangsspannung ist dann generell zu niedrig und fällt mit zunehmender Drehzahl sogar noch weiter ab).
Grüsse langer 8-)
"Kunst muss es sein, wenn man‘s nicht kann... denn wenn man‘s kann, ist‘s keine Kunst"
Der Niedergang deutscher Ingenieurskunst begann mit dem DIN Stecker, ungeeigneten Materialien und beschleunigt mit VW...
Benutzeravatar

langer
Domi-Superprofi
Beiträge: 4790
Registriert: Sa 25. Mär 2017, 18:38
Wohnort: bei Bad Homburg / Taunus
Motorrad: RD08 EZ01.95 Jap. Zwittermodell
Kontaktdaten:

Re: Batterie oder Lima defekt

Beitrag von langer »

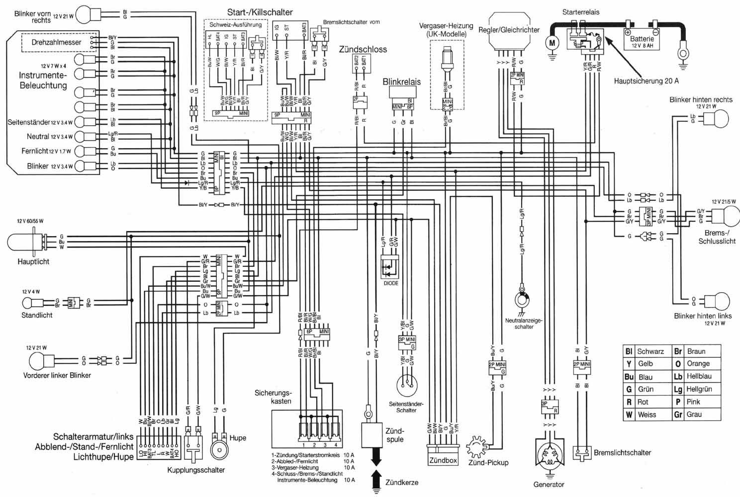
Hier (am 96er Schaltplan) sieht man recht gut, warum diese Stelle am Starterrelais (dessen Anschlüsse / Stützpunkte) und deren Kontaktqualität
so wichtig für die eingespeiste Gleichspannung des Regler in das Bordnetz ist.
Verfolge Rot/Weiss (das ist der geregelte positive Ausgang des Regler)... zum Starterrelais (dessen positver Stützpunkt in's Bordnetz).
PS. Ein gute Masse ist für den Regler natürlich ebenso wichtig.
.
schalt1996.jpg
Grüsse langer 8-)
"Kunst muss es sein, wenn man‘s nicht kann... denn wenn man‘s kann, ist‘s keine Kunst"
Der Niedergang deutscher Ingenieurskunst begann mit dem DIN Stecker, ungeeigneten Materialien und beschleunigt mit VW...

Verfasser
Tobi-Domi

Re: Batterie oder Lima defekt

Beitrag von Tobi-Domi »

Ja die Kabelschuhe in dem roten Stecker mit der 20A Hautsicherung kommen neu, das sieht nicht mehr ganz gut aus, mit der neuen Batterie haben sich aber die Messergebnisse geändert und denke auch gebessert,
Batterie :13,3V
Motor Leerlauf: 14,8V
Motor Leerlauf mit Licht: 14,5V
bei 4000upm : ~14,2V
Dateianhänge
IMG_20190428_103555.jpg
Benutzeravatar

Enola Gay
Domi-Superprofi
Beiträge: 1559
Registriert: Di 12. Feb 2019, 01:38
Wohnort: Karben
Motorrad: Bali100, CB100, FES125 Pantheon, NSR125SP, NX250-MD21, NX250-MD25, CB450K1, CB450K5,
BMW R27, BMW R69S,
Kontaktdaten:

Re: Batterie oder Lima defekt

Beitrag von Enola Gay »

Hey Tobi - Du hast einen Marder als Haustier :) - schau mal, wo der noch überall dran war (!)

mfG. Herbert
... war nie wirklich weg - hab mich nur versteckt ... (Marius-M.-W.)
Benutzeravatar

LC4_66
Domi-Profi
Beiträge: 596
Registriert: So 26. Mär 2017, 11:14
Wohnort: 66903 Gries
Motorrad: NX 650 Bj. 92, 600 LC4 Bj. 89, CL 250 S Bj. 83, 620 Duke Bj. 96
Kontaktdaten:

Re: Batterie oder Lima defekt

Beitrag von LC4_66 »

Das rote Kabel sieht doch aus als währe es durchgetrennt.
Gruß

Hans-Jürgen

Verfasser
Tobi-Domi

Re: Batterie oder Lima defekt

Beitrag von Tobi-Domi »

@Herbert, ich wüsste nicht wie da ein Marder unter die Sitzbank kommen sollte :D
@Hans-Jürgen, sieht so aus, ist es aber nicht, die Isolierung ist bissel ab, das Kabel aber noch dran...muss aber definitiv neu!
Weiß jemand zufällig ob es den Stecker noch iwo zu kaufen gibt (der Rote mit den zwei Nasen wo auch die Sichrerung drunter sitzt).
Eine Nase ist nämlich schon ab (spröde) und wie man sieht nicht mehr so toll in Schuss.
Vllt gibts den auch bei anderen Möps oder ist eine Standardsteckerverbindung??!
Benutzeravatar

Mehrheit
Domi-Superprofi
Beiträge: 4181
Registriert: So 26. Mär 2017, 11:31
Wohnort: Stötten am Auerberg
Motorrad: BMW F 700 GS
CRF 250 LA "Schmuddelkind"
Kontaktdaten:

Re: Batterie oder Lima defekt

Beitrag von Mehrheit »

Sieht aus, als hätte da jemand (ohne Sitzbank !) mit 'ner Flex schräg dran langgezogen....

Verfasser
Tobi-Domi

Re: Batterie oder Lima defekt

Beitrag von Tobi-Domi »

Mehrheit hat geschrieben: Mo 29. Apr 2019, 10:09 Sieht aus, als hätte da jemand (ohne Sitzbank !) mit 'ner Flex schräg dran langgezogen....
:shock: ich wüsste nicht warum da jemand mit der Flex ran sollte :?
Vllt hat was von der Sitzbank gescheuert , oder die Sitzbank war mal einen Winter weg und der Marder hat sich gegönnt :x
Antworten